Adam Tech IDC Connectors

Adam Tech Insulation Displacement Termination Connectors (IDC) are designed to terminate flat cables quickly and effectively. These easy-to-use, low-profile, high-density, and reliable connectors operate at 250VAC maximum voltage and -40°C to 105°C temperature range. The IDC connectors feature a 1A maximum current rating and up to 1000VAC dielectric withstanding voltage for 1 minute. These connectors comply with UL-recognized file no. E224053 certifications.

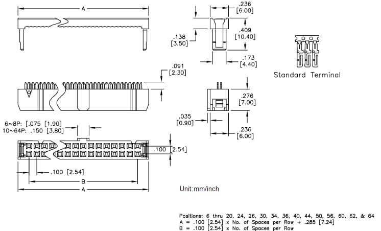
The IDC sockets are flat cable sockets with 0.100″ pin-to-pin and row-to-row centerlines that terminate flat cables in a single step. These small-size sockets can mate with a multitude of 0.25″ square post pin headers.

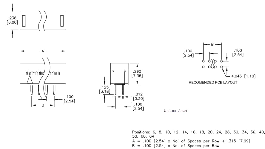
The IDC DIP and transition plugs are one-piece connector systems that mass terminate flat cable and mount directly to the PCB or PCB socket. These plugs are ideal for interconnecting PCBs in a permanent flat cable transition or disconnect applications.

Features

  • Low profile and high density
  • Smooth high-pressure wiping contacts
  • Mass terminates standard flat cable
  • 250VAC maximum operating voltage
  • Comply with UL-recognized file no. E224053 certifications
  • 1A maximum current rating
  • Available in anti-ESD plastic trays package
  • 28AWG stranded recommended wire size

Applications

  • Interconnecting PCBs in a permanent flat cable transition

IDC Socket Mechanical Diagram

Mechanical Drawing - Adam Tech IDC Connectors

IDC Flat Cable DIP Plugs

Mechanical Drawing - Adam Tech IDC Connectors

IDC DIP Plugs

Mechanical Drawing - Adam Tech IDC Connectors
Published: 2024-07-15 | Updated: 2024-08-29