Advanced Photonix APX-VNG0031PSD Extended Visible InGaAs PSDs
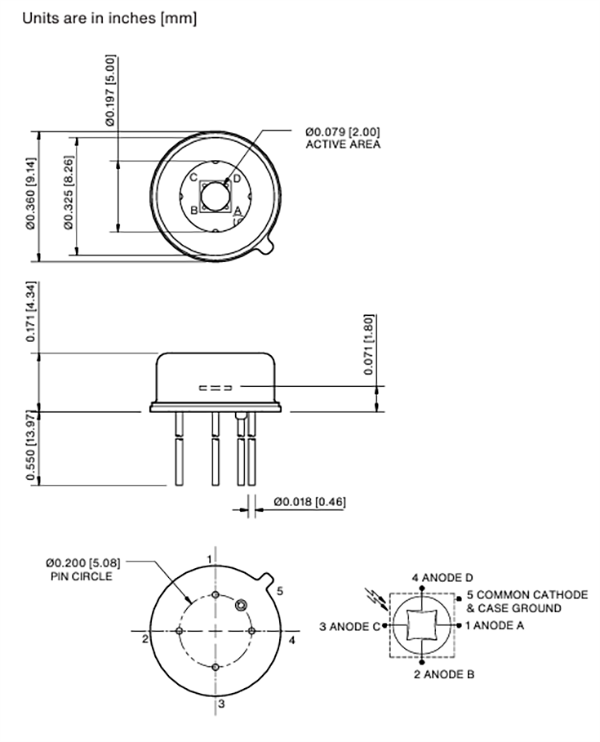
Advanced Photonix APX-VNG0031PSD ø2mm Extended Visible InGaAs Position Sensitive Detectors (PSDs) are tetra-lateral, high-accuracy devices featuring an enhanced sensitivity spectrum from 400nm to 1700nm. This range surpasses the standard InGaAs spectral response of 700nm to 1700nm. The Advanced Photonix APX-VNG0031PSD components are available in two-inter-electrode resistance options (0.5kΩ and 2.2kΩ) in a hermetically sealed TO-5 metal can package.Features
- High position detection accuracy
- 0.5kΩ to 2.2kΩ inter-electrode resistance range
- 400nm to 1700nm spectral sensitivity range
- High 20MΩ typical shunt resistance
- 7V maximum reverse voltage
- 200pF to 400pF maximum capacitance range
- 20nA to 150nA maximum dark current range
- 20µm typical position detection error
- 3.1mm2 active area, ø2mm diameter active area
- TO-5 package
- -40°C to +125°C operating temperature range
Applications
- Alignment
- Position sensing
- Industrial sensing
- Guidance systems
- Targeting
- Communication
Mechanical Specifications
Published: 2024-09-24
| Updated: 2024-10-02
