Altran Magnetics ASR-SD Single-Phase AC Output Solid-State Relays

Altran Magnetics ASR-SD Single-Phase AC Output Solid-State Relays (SSRs) feature zero crossing or random-on switching. The Altran Magnetics ASR-SD series offers a 3A or 5A load current rating at 24VAC to 530VAC and 4000VACrms opto-isolation. These single-phase AC output SSRs provide 3A TRIAC or 5A SCR output and are RoHS compliant.

Features

  • Zero crossing or random-on switching
  • 3A or 5A current rating at 24VAC to 530VAC
  • 4VDC to 15VDC, 15VDC to 32VDC, and 4VDC to 32VDC control voltage
  • 340VAC, 380VAC, or 480VAC load voltage
  • 4000VACrms opto-isolation
  • 3A TRIAC output or 5A SCR output
  • RoHS compliant

Applications

  • Industrial automation
  • HVAC and appliance control
  • Lighting systems

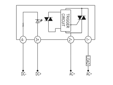
Wiring Diagram

Schematic - Altran Magnetics ASR-SD Single-Phase AC Output Solid-State Relays
Published: 2025-12-02 | Updated: 2026-01-15