ams OSRAM AS5715 Reference Board
ams OSRAM AS5715 Reference Board is designed to evaluate the AS5715 inductive motor control position sensor quickly. The ams OSRAM AS5715 reference board is fully assembled and includes the target, spacer, and connector (plug-strip). The connector is populated with a 6-pin plug strip and is required for the power supply and output and I2C interfaces.Kit Contents
- Reference board
- Spacer
- Target
- Connector
Kit Content List
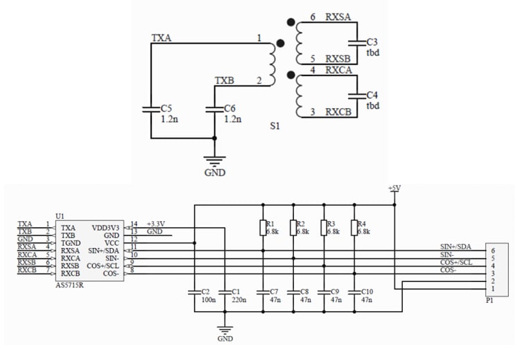
Board Setup
Schematic
Additional Resources
Published: 2020-02-18
| Updated: 2024-03-22
