Analog Devices Inc. ADG6404 Analog 4:1 Multiplexer

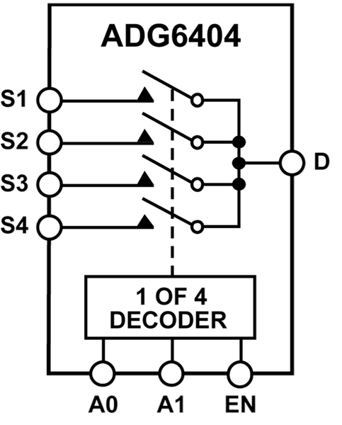
Analog Devices ADG6404 Analog 4:1 Multiplexer switches one of four inputs to a common output, D, as determined by the 3-bit binary address line, A0, A1, and EN. For use in multiplexer applications, switches exhibit break-before-make switching action. Each switch has an input signal range that extends from VSS to VDD -2V, and each channel conducts equally well in each direction when on. When switches are disabled, signal levels up to the supplies are blocked.

The Analog Devices ADG6404's digital inputs are compatible with 5V, 3.3V, and 1.8V logic inputs without requiring a separate digital logic supply pin. The on-resistance profile is exceptionally flat over the full-analog input range, which ensures good linearity and low distortion when switching audio signals.

Features

  • Low 0.62Ω RON
  • High continuous current of up to 847mA
  • Flat 0.003Ω RON across the signal range
  • -100dB THD at 1kHz
  • 1.8V, 3.3V, and 5V logic compatibility
  • 16-lead, 4mm × 4mm LFCSP, which is pin-to-pin compatible with the ADG5404 and ADG5404F
  • Fully specified at ±20V and +36V
  • Operational with asymmetric power supplies
  • VSS to VDD -2V analog signal range

Applications

  • Automatic test equipment
  • Data acquisition
  • Instrumentation
  • Avionics
  • Audio and video switching
  • Communication systems
  • Relay replacement

Functional Block Diagram

Block Diagram - Analog Devices Inc. ADG6404 Analog 4:1 Multiplexer
Published: 2025-05-29 | Updated: 2026-02-25