Analog Devices Inc. ADL8111-EVALZ Evaluation Board
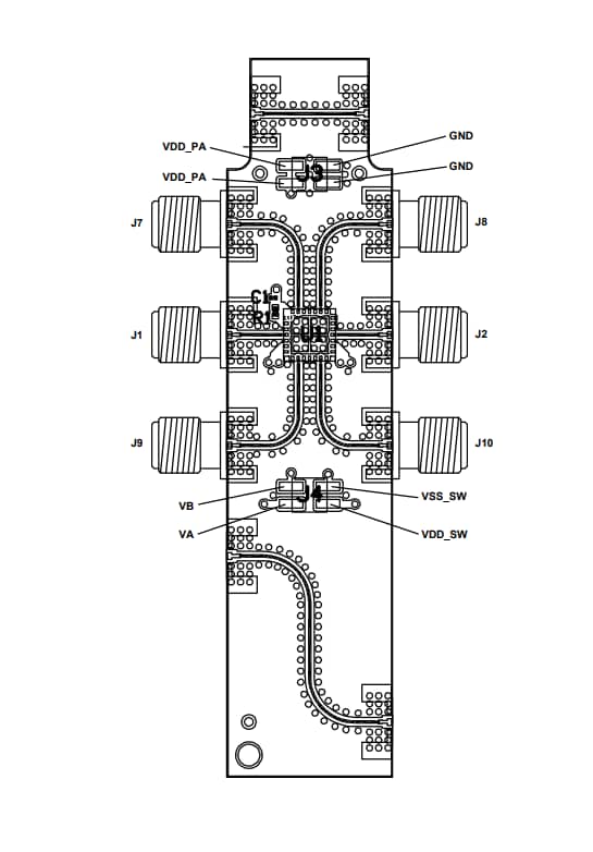
Analog Devices Inc. ADL8111-EVALZ Evaluation Board is designed to evaluate the ADL8111 Amplifiers. The ADL8111 10MHz to 8GHz Bypass Amplifiers integrate quad-throw (SP4T) nonreflective switches, allowing multiple gain and linearity values. The ADL8111-EVALZ Evaluation Board is fully populated with components. The Board features signal lines with a 50Ω characteristic impedance. An adequate number of via holes connect the top and bottom ground planes.Front & Back Layout
PCB Layout
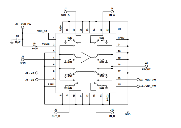
Schematic
Published: 2019-07-10
| Updated: 2024-03-06
