Analog Devices Inc. ADPD6000 Multimodal Sensor Front End
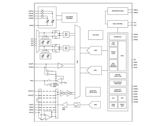
Analog Devices Inc. ADPD6000 Multimodal Sensor Front End is highly integrated and intended for measuring various vital signals. The AFE optical channel is designed as an optical transceiver, stimulating up to four light emitting diodes (LEDs) and measuring the return signal on four separate current inputs. The signal chain rejects signal offsets and corruption from asynchronous modulated interference, typically from ambient light, eliminating the need for optical filters or externally controlled dc cancellation circuitry.The electrocardiography (ECG) signal acquisition is designed to support low noise and diagnostic level measurement in the presence of various interferers. The ECG signal chain has several complementary features supporting ECG measurements, such as a driven reference for common-mode rejection and lead-off detection to identify a fallen electrode.
The body impedance analysis (BIA) signal chain is designed for body impedance measurement with a configurable excitation path and measurement path. A 12-bit digital-to-analog (DAC) is used in the excitation path to generate the sinusoid wave and high precision measurement, with configurable filters used to measure the body response of the stimulus.
The data output and functional configuration use a serial port interface (SPI) on the ADPD6000. The control circuitry includes flexible LED signaling and synchronous detection, digital filters, digital wave generators, and configurable filters.
The ADPD6000 is housed in a 2.6mm × 2.6mm, 0.4mm pitch, 36-ball wafer level chip scale package (WLCSP).
Features
- Optical channel
- 4 input channels with multiple operation modes for various sensor measurements
- Dual channel processing with simultaneous sampling
- 12 programmable time slots for synchronized sensor measurements
- Flexible input multiplexing to support single-ended sensor measurements
- 4 LED drivers, 2 of which can be driven simultaneously
- Flexible sampling rate from 0.004Hz to 9kHz using internal oscillators
- 117dB (with off-chip filtering) SNR of transmitting and receiving signal chain
- 78dB up to 100Hz AC ambient light rejection
- 400mA total LED peak drive current
- Individual ambient light rejection DAC at TIA input with 9-bit control up to 300μA
- Individual LED dc cancellation DAC at TIA input with 7-bit control up to 190μA
- ECG channel
- 0.75μVrms RTI noise at diagnostic filter bandwidth (150Hz)
- 3GΩ High input impedance
- Accepts up to 1.2V of the dc differential input range
- 116dB Common-mode rejection ratio
- Two-electrode and three-electrode configurations
- AC lead-off detection and dc lead-off detection
- BIA channel
- Low power, high accuracy excitation path
- Configurable output frequency up to 250kHz
- Sine wave excitation with a 12-bit DAC
- High accuracy with large imbalance contact impedance
- Configurable receive filters with low noise design
- Complex impedance measurement engine
- Supports both external calibration and internal calibration
- SPI communications supported
- 640-byte FIFO
Applications
- Wearable health and fitness monitors: heart rate, heart rate variability, SpO2, body impedance analysis, hydration, cuffless non-invasive blood pressure
- Home patient monitoring
- Industrial monitoring: particle and aerosol, gas, and conductivity detection
Block Diagram
