Analog Devices Inc. LTC7893 Synchronous Boost Controllers
Analog Devices Inc. LTC7893 Synchronous Boost Controllers are high-performance, step-up, DC-DC, and switching controllers. These controllers drive all N-channel synchronous Gallium Nitride (GaN) Field Effect Transistor (FET) power stages from output voltages up to 100V. The LTC7893 controllers do not require protection diodes and additional external components. These controllers' gate drive voltage can be precisely adjusted from 4V to 5.5V to optimize performance. The LTC7893 controllers can operate from an input supply as low as 1V after start-up when biased from the boost converter regulator output.The LTC7893 controllers feature 15μA low operating IQ, 100kHz to 3MHz programmable frequency range, spread spectrum frequency modulation, and 100kHz to 3MHz synchronizable frequency range. These controllers are available in a 28-lead (4mm x 5mm), side wettable, and QFN package. The LTC7893 controllers are used in telecommunications power systems, medical systems, military avionics, and automotive applications.
Features
- GaN drive technology fully optimized for GaN FETs
- Up to 100V output voltage
- 15μA low operating IQ
- 100kHz to 3MHz programmable frequency range
- 100kHz to 3MHz synchronizable frequency range
- 4V to 60V wide VIN range and operates down to 1V after start-up
- No catch, clamp, or bootstrap diodes required
- Resistor-adjustable dead times
- Internal smart bootstrap switches prevent overcharging of high-side driver supply
- Split-output gate drivers for adjustable turn-on and turn-off driver strengths
- Accurate adjustable driver voltage and Under-Voltage Lockout (UVLO)
- Spread spectrum frequency modulation
- 28-lead (4mm x 5mm), side wettable, and QFN package
- AEC-Q100 qualified for automotive applications
Applications
- Telecommunications power systems
- Automotive and industrial power systems
- Military avionics
- Medical systems
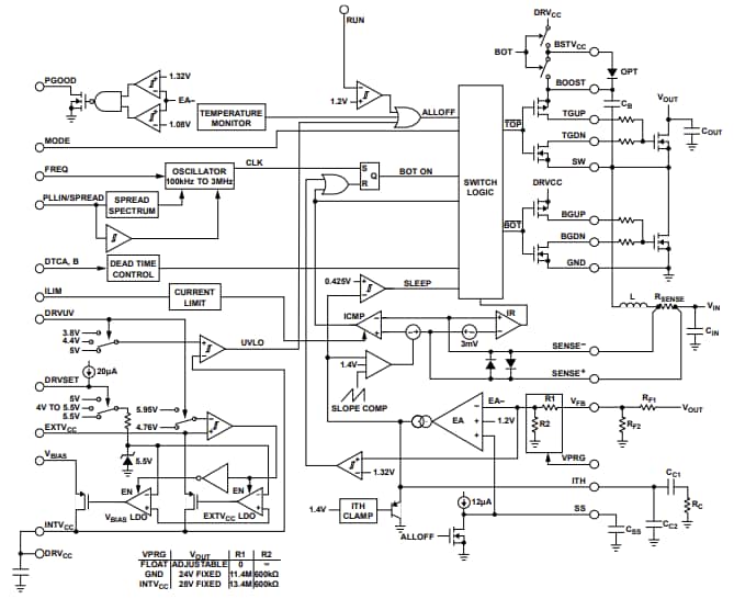
Block Diagram
Typical Application Diagram
Published: 2025-01-28
| Updated: 2025-02-21
