Analog Devices / Maxim Integrated MAX16141/MAX16141A Ideal Diode Controllers

Analog Devices MAX16141/MAX16141A Ideal Diode Controllers protect against various system faults, such as reverse voltage, reverse current, input overvoltage / undervoltage, overcurrent, and overtemperature conditions. A wide operating voltage range of 3.5V to 36V, combined with 5μA (typical) of shutdown current, makes the MAX16141/MAX16141A ideal for automotive applications. The power loss between the source and the load is minimized by an integrated charge pump that drives the gate of the back-to-back external nFETs 9V (typical) above the source connection.

The Analog Devices MAX16141 controllers feature a low-power mode that allows sourcing limited power to the load and an internal switch that helps save power during shutdown mode. These MAX16141 diode controllers also come with a fault output that asserts during fault conditions. Typical applications include automotive power systems, network/telecom power systems, RAID systems, servers, and Power over Ethernet (PoE) systems.

Features

  • Wide voltage range
    • 3.5V to 36V operating voltage range
    • -36V to 60V protection voltage range
  • Eliminates discrete diode power dissipation
  • Low-power shutdown reduces battery drain
    • 5µA (typical) shutdown current
    • Term switch isolates UVLO and OVLO circuitry in shutdown
  • Isolates failed supply from the load
    • Bidirectional current blocking on open
    • Bidirectional voltage blocking on open
  • Current protection
    • Factory adjustable overcurrent trip thresholds
    • Factory adjustable reverse-current trip thresholds
  • Resistor adjustable overvoltage and under-voltage trip thresholds
  • Automotive qualified
    • Operates down to 3.5V that rides out cold-crank conditions
    • -40°C to 125°C operating temperature range
  • N-channel MOSFET gate driver of VIN + 8V
  • Fault output
    • UVLO, OVLO, overcurrent, reverse-current, and thermal shutdown

Applications

  • Automotive power systems
  • Network/telecom power systems
  • RAID systems
  • Servers
  • PoE systems

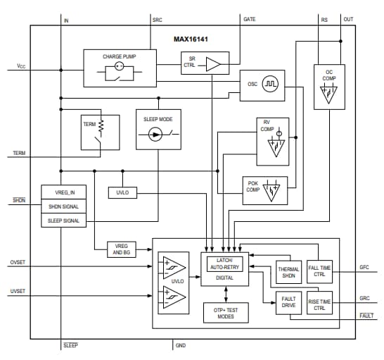
Block Diagram

Block Diagram - Analog Devices / Maxim Integrated MAX16141/MAX16141A Ideal Diode Controllers

Application Circuit

Application Circuit Diagram - Analog Devices / Maxim Integrated MAX16141/MAX16141A Ideal Diode Controllers

Operational Characteristics

Chart - Analog Devices / Maxim Integrated MAX16141/MAX16141A Ideal Diode Controllers

Pin Diagram

Mechanical Drawing - Analog Devices / Maxim Integrated MAX16141/MAX16141A Ideal Diode Controllers
Published: 2018-09-12 | Updated: 2024-10-30