Analog Devices Inc. MAX17691A & MAX17691B Isolated Flyback Converters
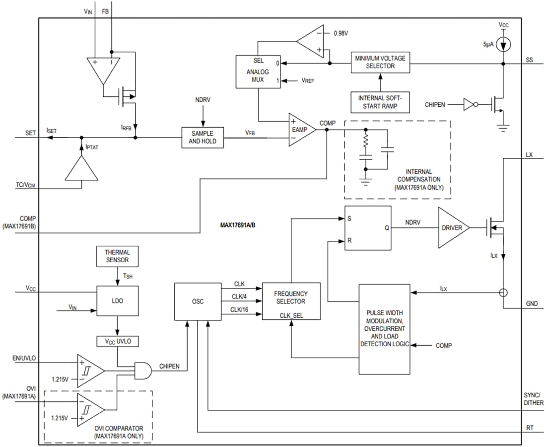
Analog Devices Inc. MAX17691A and MAX17691B Isolated Flyback Converters are high-efficiency no-opto integrated nMOSFET flyback converters that use fixed frequency peak current mode control. The devices sense the isolated output voltage directly from the primary-side flyback waveform during the off-time of the integrated nMOSFET. No secondary-side error amplifier and optocoupler are required to provide an accurate, isolated, regulated output voltage, saving up to 20% of PCB space, generally required for a traditional flyback converter.Analog Devices MAX17691A and MAX17691B feature a low RDS(ON), 76V, 170mΩ integrated nMOSFET primary switch and is designed to operate over a wide supply range from 4.2V to 60V. The switching frequency of these devices is programmable from 100kHz to 350kHz. An EN/UVLO feature allows the user to turn ON/OFF the power converter precisely at the desired input voltage. Input overvoltage protection can be implemented using the OVI pin (MAX17691A only). Softstart limits inrush current at startup. The MAX17691A and MAX17691B support external clock synchronization to avoid low-frequency "beats" on the input bus in systems with multiple converters. These devices also have programmable frequency dithering for low-EMI, spread-spectrum operation.
The MAX17691A and MAX17691B allows temperature compensation for variations in the output rectifier diode forward voltage drop. The MAX17691A is internally compensated for loop stability, while the MAX17691B offers external loop compensation flexibility. The MAX17691A and MAX17691B have robust hiccup-protection and thermal protection schemes, and are available in a space-saving 12-pin, 3mm x 3mm TDFN package with a temperature range from -40°C to +125°C.
Features
- Reduces external components and total cost
- Eliminates the optocoupler and secondary-side error amplifier
- Up to 20% space savings
- 76V, low RDS(ON) integrated nMOSFET
- Internal loop compensation (MAX17691A only)
- Built-in soft-start
- Reduces power dissipation
- >90% efficiency
- Delivers up to 7.5W output power
- Frequency fold-back enables enhanced light-load efficiency
- 2.5µA shutdown current
- Supports key system-level design requirements
- Frequency dithering supports low-EMI, spread-spectrum operation
- Switching frequency synchronization
- Compliant with CISPR22 Class B EMI requirements
- Operates reliably in adverse environments
- Optional output voltage temperature compensation
- Hiccup current-limit protection
- Programmable EN/UVLO threshold
- Input overvoltage (OVI) protection (MAX17691A only)
- Over-temperature protection
- High industrial -40°C to +125°C ambient operating temperature range
- -40°C to +150°C junction temperature range
Applications
- Isolated power supplies
- PLC I/O modules
- IGBT gate drive supplies
- Industrial and telecom
Functional Block Diagram
