Analog Devices Inc. MAX20029x Automotive PMICs

Analog Devices Inc. MAX20029x Automotive PMICs (Power-Management ICs) integrate four low-voltage, high-efficiency, step-down DC-DC converters. Each of the four outputs is factory or resistor programmable between 0.7V to 4.0V. The MAX20029 has four 1.5A channels. The MAX20029B has two 1.5A/3.0A channels. The MAX20029C has four 1.5A channels with low VOUT down to 0.7V. The MAX20029D has two 0.5A/1.5A channels and, by combining channels 1 and 2, a single 2A/3A channel. These PMICs operate from 3.0V to 5.5V, making them ideal for automotive Point-of-Load (PoL) and post-regulation applications.

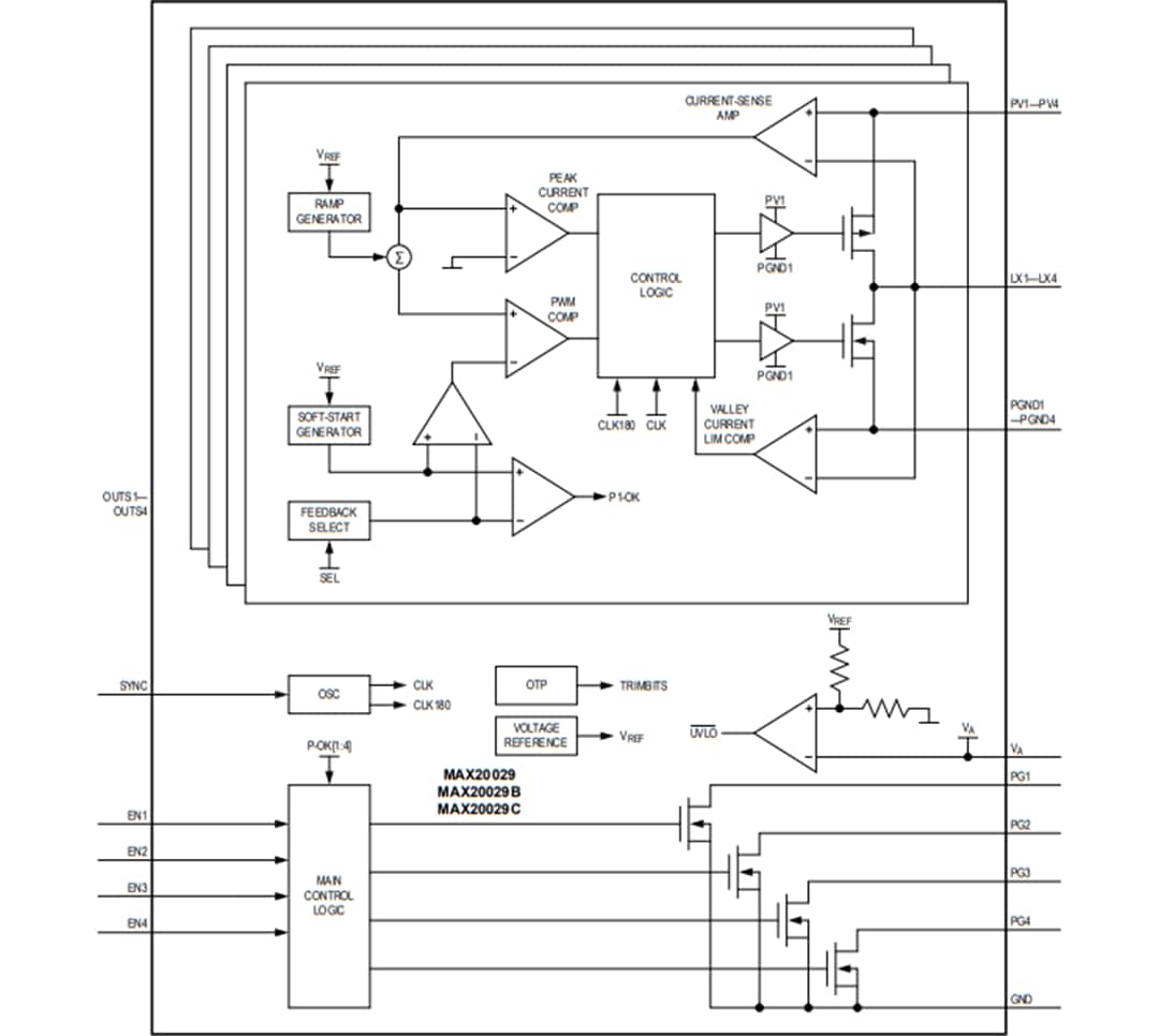
The MAX20029, MAX20029B, MAX20029C, and MAX20029D feature fixed-frequency PWM-mode operation with a switching frequency of 2.2MHz. High-frequency operation allows for an all-ceramic capacitor design and small-size external components. The low-resistance on-chip switches ensure high efficiency at heavy loads while minimizing critical inductances, making the layout a much simpler task with respect to discrete solutions. Internal current sensing and loop compensation reduce board space and system costs.

The PMICs offer a spread-spectrum option to reduce radiated emissions. Two of the four buck converters operate at 180° out-of-phase with the internal clock. This feature reduces the necessary input capacitance and improves EMI as well. All four buck converters operate in constant PWM mode outside the AM band. The PMICs offer a SYNC input to synchronize to an external clock.

The MAX20029, MAX20029B, MAX20029C, and MAX20029D provide individual enable inputs and power-good/reset outputs, as well as factory-programmable PG times.

These devices offer several important protection features including input overvoltage protection, input under-voltage lockout, cycle-by-cycle current limiting, and overtemperature shutdown. The MAX20029, MAX20029B, MAX20029C, and MAX20029D PMICs are available in a 28-pin TQFN package with an exposed pad and are AEC-Q100 qualified for automotive applications.

Features

  • Quad step-down DC-DC converters with integrated FETs
    • MAX20029: Up to four 1.5A channels
    • MAX20029B, MAX20029D: Up to one 3A + two 1.5A channels
    • MAX20029C: Up to four 1.5A channels with low 0.7V VOUT
  • 3.0V to 5.5V input voltage range
  • 1.0V to 4.0V fixed or adjustable output voltage
  • 2.2MHz switching frequency
  • Designed to improve automotive EMI performance
    • Forced-PWM operation
    • Two channels 180° out-of-phase
    • SYNC input
    • Spread-spectrum option
  • Soft-start and supply sequencing reduces inrush current
  • Individual enable inputs and power-good outputs to simplify sequencing
  • OV input-voltage monitoring
  • Over-temperature and short-circuit protection
  • -40°C to +125°C operating temperature range
  • TQFN-EP-28 package (5.0mm × 5.0mm x 0.8mm)
  • AEC-Q100 qualified
  • Pb-free and RoHS-compliant

Applications

  • Automotive Point-of-Load (PoL) applications
  • Distributed DC power systems

Typical Application Circuit

Application Circuit Diagram - Analog Devices Inc. MAX20029x Automotive PMICs

Block Diagram

Block Diagram - Analog Devices Inc. MAX20029x Automotive PMICs
Published: 2020-04-10 | Updated: 2024-05-10