Analog Devices / Maxim Integrated MAX22256 H-Bridge Transformer Drivers

Analog Devices MAX22256 H-Bridge Transformer Drivers provide a simple solution for making isolated power supplies over 15W. The devices drive a transformer's primary coil with up to 650mARMS of current from a wide 5V to 36V DC supply. The Analog Devices MAX22256B/C drovers are optimized for LLC-type resonant topology, improving efficiency, and reducing switching noise.

Features

  • Simple, flexible design
    • 5V to 36V supply range
    • Up to 91% efficiency
    • Provides over 15W to a transformer
    • Undervoltage lockout
    • Internal or external clock source
    • Synchronous clock output (MAX22258)
    • Programmable overcurrent threshold
    • 30ns to 200ns adjustable deadtime (MAX22258)
  • Robust integrated system protection
    • Fault detection and indication
    • Overcurrent limiting up to 1A
    • Over-temperature protection
    • Precision internal clock source (±6%) prevents excessive transformer core losses due to frequency shift
    • -40°C to +125°C wide temperature range
  • Space savings
    • Small 3mm x 3mm 10-pin TDFN package (MAX22256A/B/C) with 0.5mm pitch
    • Small 4mm x 5mm 14-pin TSSOP package (MAX22258) with 0.65mm pitch

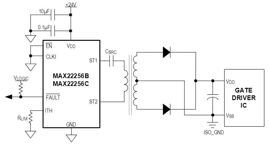
Block Diagram

Analog Devices / Maxim Integrated MAX22256 H-Bridge Transformer Drivers
Published: 2022-11-29 | Updated: 2023-04-13