Analog Devices / Maxim Integrated MAX32625 & MAX32626 32-Bit MCUs

Analog Devices MAX32625 and MAX32626 Arm® Cortex®-M4F 32-Bit Microcontrollers are ideal for the emerging wearable medical and fitness applications category. The architecture combines ultra-low power, high-efficiency signal processing functionality, and ease of use. An internal 96MHz oscillator provides high-performance capability. The internal 4MHz oscillator supports minimal power consumption for applications requiring always-on monitoring.

The MAX32625 and MAX32626 MCUs provide 512kB of flash and 160kB of SRAM. These devices feature four powerful and flexible power modes. A peripheral management unit (PMU) enables intelligent peripheral control with up to six channels to significantly reduce power consumption. Built-in dynamic and firmware-controlled clock gating allows users to optimize power for the specific application.

The Analog Devices MAX32625 and MAX32626 MCUs are available in WLP-63 and TQFN-EP-68 packages with a -30°C to +85°C operating temperature range.

View MAX32625EVKIT & MAX32626EVKIT Evaluation Kits

View MAX32625PICO Evaluation Board

View MAX32625PICO2 Evaluation Board

View MAX32625MBED Arm mbed Enabled Dev Platform

Features

  • High-Efficiency Microcontroller for Wearable Devices
    • Internal Oscillator Operates Up to 96MHz
    • Low Power 4MHz Oscillator System Clock Option for Always-On Monitoring Applications
    • 512KB Flash Memory (256KB “L” Version)
    • 160KB SRAM (128KB “L” Version)
    • 8KB Instruction Cache
    • 1.2V Core Supply Voltage
    • 1.8V to 3.3V I/O
    • Optional 3.3V ±5% USB Supply Voltage
  • Optimal Peripheral Mix Provides Platform Scalability
    • SPI Execute in Place (SPIX) Engine for Memory Expansion with Minimal Footprint
    • Three SPI Masters, One SPI Slave
    • Three UARTs
    • Up to Two I2C Masters, One I2C Slave
    • 1-Wire Master
    • Full-Speed USB 2.0 Device with Internal Transceiver
    • Sixteen Pulse Train (PWM) Engines
    • Six 32-Bit Timers and 3 Watchdog Timers
    • Up to 40 General-Purpose I/O Pins
    • 10-Bit Delta-Sigma ADC Operating at 7.8ksps
    • AES -128, -192, -256
    • CMOS-Level 32kHz RTC Output Available in All Power Modes
  • Power Management Maximizes Uptime for Battery Applications
    • 106μA/MHz Active Current Executing from Cache<
    • 49μA/MHz Active Current Executing from FlashWake-Up to 96MHz Clock or 4MHz Clock
    • 600nA Low Power Mode (LP0) Current with RTC Enabled
    • 2.56μW Ultra-Low Power Data Retention Sleep Mode (LP1) with Fast 5μs Wake-Up on 96MHz Clock Source
    • 27μA/MHz Low Power Mode (LP2) Current
  • Secure Valuable IP and Data with Robust Internal Hardware Security (MAX32626 Only)
    • Trust Protection Unit (TPU) Provides ECDSA and Modular Arithmetic Acceleration Support
    • PRNG Seed Generator
  • Physical Specifications
    • Wide Operating Temperature: -30°C to +85°C
    • Package Options
      • WLP-63
      • TQFN-EP-68
    • RoHS Compliant

Applications

  • Sports Watches
  • Smart Watches
  • Fitness Monitors
  • Wearable Medical Patches
  • Portable Medical Devices
  • Sensor Hubs

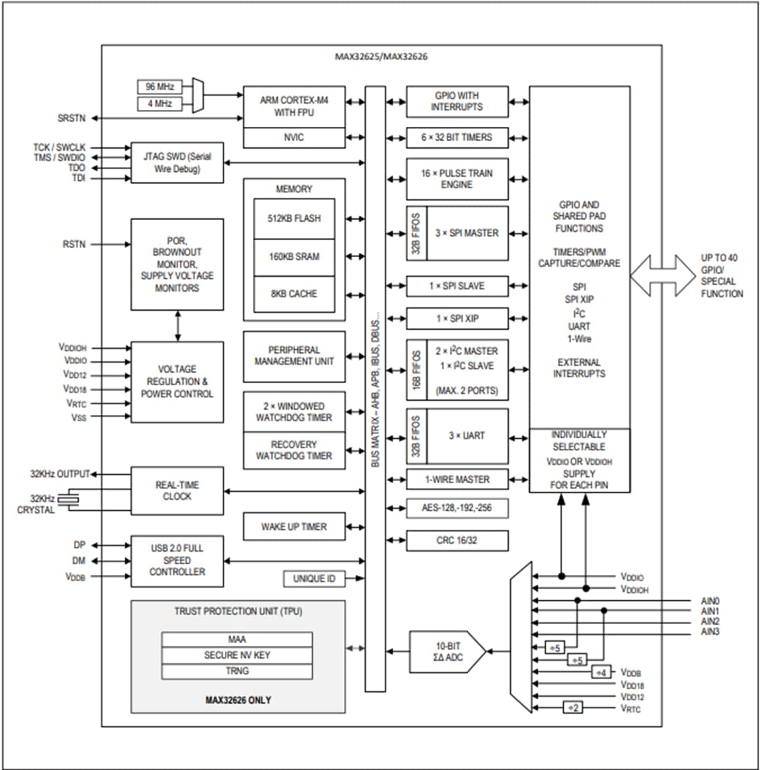
Block Diagram

Block Diagram - Analog Devices / Maxim Integrated MAX32625 & MAX32626 32-Bit MCUs

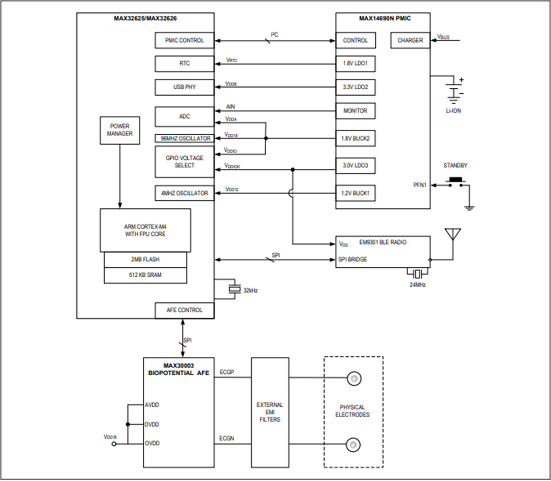
Typical Application Circuit

Application Circuit Diagram - Analog Devices / Maxim Integrated MAX32625 & MAX32626 32-Bit MCUs
Published: 2016-11-21 | Updated: 2023-04-21