Apex Microtechnology MP39 Open Frame Power Amplifiers

Apex Microtechnology MP39 Open Frame Power Amplifiers are constructed with surface-mount components on a thermally conductive but electrically isolated substrate. The featured metal substrate enables the MP39 to dissipate power up to 125W, and its power supply voltage can range up to ±50V. The optional boost voltage inputs allow the small signal portion of the amplifier to function at higher supply voltages than the high current output stage. Utilizing the four-wire sense technology allows current limiting without needing to consider internal or external mΩ parasitic resistance in the output line. Apex Microtechnology MP39 Open Frame Power Amplifiers are suitable for linear and rotary motor drives, industrial audio, and programmable power supplies to ±45V.

Features

  • Four-wire current limit sensing
  • Optional boost voltage inputs
  • 125W internal dissipation
  • 100V voltage
  • 10A current
  • 10V/µs slew rate

Applications

  • Linear and rotary motor drives
  • Yoke/magnetic field excitation
  • Programmable power supplies to ±45V
  • Industrial audio

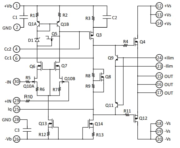
Schematic

Apex Microtechnology MP39 Open Frame Power Amplifiers
Published: 2023-05-24 | Updated: 2023-06-01