Apex Microtechnology PA198 High Voltage Power Operational Amplifiers
Apex Microtechnology PA198 High Voltage Power Operational Amplifiers are 450V high-power operational amplifiers for voltage amplification. The Apex Microtechnology PA198 features a MOSFET output stage to achieve power bandwidths of up to 2MHz. The PA198 maintains a maximum continuous current of 200mA for reliable operation within a designated range. The amplifier delivers output voltages ranging from ±215V with a dual supply to +440 volts with a single supply configuration.Features
- 2000V/μs high slew rate
- 2MHz power bandwidth
- 450V (+-225V) supply voltage
- 200mA high output current
- 25mA low IQ
- 3μV/sqrtHz low noise
- 750ns excellent settling time
Applications
- High voltage instrumentation
- Piezo transducer excitation
- Programmable power supplies up to 430V
- Electrostatic transducers and deflection
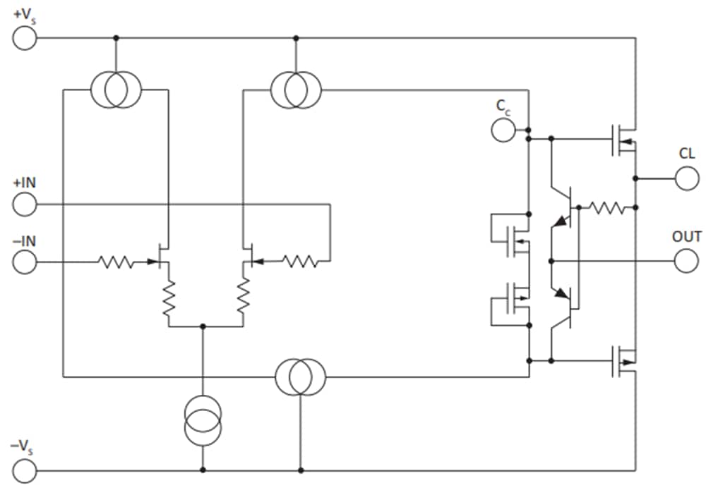
Equivalent Schematic
Typical Connections
Additional Resources
Published: 2023-08-09
| Updated: 2023-09-01
