BIVAR SZR Right Angle Flexible Light Pipes

BIVAR SZR Right Angle Flexible Light Pipes are 6-inch and 10-inch LED pipes made of black fiber and a clear/smoked/diffused lens. These pipes are right angle off of the board, making them suitable for designs with limited space in the enclosure. The SZR light pipes have an LED size of 4.19mm/5.08mm with a mounting style of SMD/SMT and vertical orientation. These pipes have an IP54 water/moisture rating and an optional IP54 sealing gasket applied to the panel and lens. The SZR light pipes are available in black, green, yellow, white, and blue color fiber cables.  

Features

  • Clear, smoked, and diffused lenses 
  • Black color fiber cable
  • IP54 moisture/water rating
  • 4.19mm LED size
  • SMD/SMT mounting style
  • Vertical orientation
  • 10-inch and 6-inch body length
  • Round low profile lens

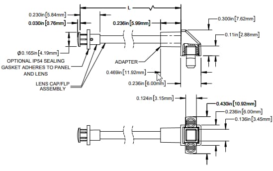
Mechanical Drawing

Mechanical Drawing - BIVAR SZR Right Angle Flexible Light Pipes
View Results ( 336 ) Page
Part Number Datasheet LED Size Body Length Mounting Style Color
SZR1-6.00-F4P SZR1-6.00-F4P Datasheet 4.19 mm 6 in SMD/SMT Black
SZR1-6.00-F4PS54 SZR1-6.00-F4PS54 Datasheet 4.19 mm 6 in SMD/SMT Black
SZR4-6.00-F5P54 SZR4-6.00-F5P54 Datasheet 5.08 mm 6 in SMD/SMT Black
SZR1-10.00-F4PD54 SZR1-10.00-F4PD54 Datasheet 4.19 mm 10 in SMD/SMT Black
SZR1-10.00-F4P54 SZR1-10.00-F4P54 Datasheet 4.19 mm 10 in SMD/SMT Black
SZR4-6.00-F5P SZR4-6.00-F5P Datasheet 5.08 mm 6 in SMD/SMT Black
SZR1-10.00-F4P SZR1-10.00-F4P Datasheet 4.19 mm 10 in SMD/SMT Black
SZR1-6.00-F4PD SZR1-6.00-F4PD Datasheet 4.19 mm 6 in SMD/SMT Black
SZR1-6.00-F4PD54 SZR1-6.00-F4PD54 Datasheet 4.19 mm 6 in SMD/SMT Black
SZR1-10.00-F4PD SZR1-10.00-F4PD Datasheet 4.19 mm 10 in SMD/SMT Black
Published: 2022-05-30 | Updated: 2025-12-09