Coilcraft 148 Series Low Profile Tunable RF Inductors
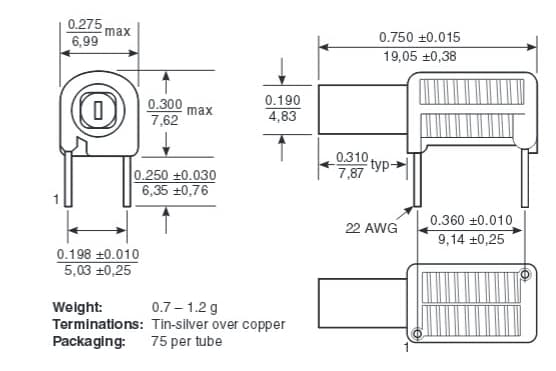
Coilcraft 148 Series Low Profile Tunable RF Inductors feature an overall height of 0.300" making the components ideal for applications where low-profile circuit boards are essential. The windings are precision molded in plastic to guarantee a constant winding pitch and a consistent relationship to the printed circuit board. Tuning is done by means of a threaded Carbonyl core.Features
- Low profile, 7.6mm (0.300") height
- Ideal for low profile applications
- Windings are precision molded into plastic
- Mechanical and electrical stability
- Threaded Carbonyl J core with a slotted socket
- Extremely economical, even in small quantities
- Tin-silver over copper terminations
- RoHS compliant
Specifications
- 19.05mm x 6.99mm x 7.62mm in dimension
- Inductance range
- 35nH to 344nH no core
- 38nH to 710nH with core
- 25Mhz and 50MHz test frequencies
- 64 to 112 Q minimum
- 320Mhz to 3200Mhz minimum self-resonant frequency range, no core
- 3/8" core length
- -40°C to +85°C operating temperature range
Mechanical Drawing
View Results ( 13 ) Page
| Part Number | Inductance | Q Minimum | Test Frequency | Self Resonant Frequency | Termination Style | Packaging | Shielding |
|---|---|---|---|---|---|---|---|
| 148-05J12L | 130 nH | 112 | 50 MHz | 820 MHz | Radial | Tube | Unshielded |
| 148-06J12L | 170 nH | 112 | 50 MHz | 720 MHz | Radial | Tube | Unshielded |
| 148-10J12L | 375 nH | 90 | 25 MHz | 450 MHz | Radial | Tube | Unshielded |
| 148-07J12L | 222 nH | 110 | 50 MHz | 620 MHz | Radial | Tube | Unshielded |
| 148-12J12L | 500 nH | 66 | 25 MHz | 350 MHz | Radial | Tube | Unshielded |
| 148-01J12L | 39 nH | 88 | 50 MHz | 3.2 GHz | Radial | Tube | Unshielded |
| 148-02J12L | 52 nH | 96 | 50 MHz | 1.56 GHz | Radial | Tube | Unshielded |
| 148-04J12L | 101 nH | 112 | 50 MHz | 980 MHz | Radial | Tube | Unshielded |
| 148-13J12L | 540 nH | 64 | 25 MHz | 320 MHz | Radial | Tube | Unshielded |
| 148-03J12L | 73 nH | 106 | 50 MHz | 1.2 GHz | Radial | Tube | Unshielded |
Published: 2015-05-07
| Updated: 2022-03-11
