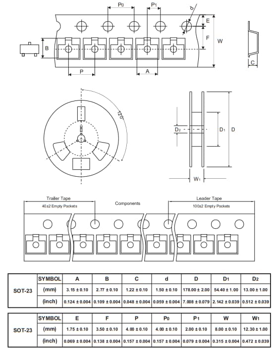
Comchip Technology BAS21/A/C/S-HF Switching Diodes
Comchip Technology BAS21/A/C/S-HF Switching Diodes are fast-switching devices with high reliability and stability. They feature 225mW power dissipation, 250V reverse voltage, and low reverse leakage. These Comchip Technology diodes operate at 150°C and come with SOT-23 and a molded plastic case.Features
- Fast switching device (Trr < 50ns)
- High stability and high reliability
- Power dissipation of 225mW
- Low reverse leakage
- SOT-23, molded plastic case
- RoHS and halogen-free device
Specifications
- 250V reverse voltage
- 2.5mA non-repetitive peak forward current
- 400mA forward continuous current
- 150°C operating junction temperature
- -55°C to 150°C storage temperature range
Published: 2020-06-08
| Updated: 2024-05-16
