Diodes Incorporated PCI Express (PCIe) Clock Buffers

Diodes Incorporated PCI Express (PCIe) Clock Buffers are low-power 4, 6, and 8-output PCIe buffers with on-chip termination. These PCIe buffers include on-chip termination, eliminating the need for external termination resistors. The PCIe clock buffers support Ethernet applications with 50MHz or 125MHz via SMBus. Diodes Incorporated clock buffers provide various options like a different slew rate and amplitude through strapping pins or SMBUS. This allows users to configure the device easily to get the optimized performance for their individual boards. These buffers also provide an extensive selection of clock buffers ranging from a different number of outputs to zero delays required.

Features

  • 3.6V maximum supply voltage
  • High Speed Current Steering Logic (HCSL) input 100MHz, also support 50MHz or 125MHz via SMBus
  • 4, 6, and 8 differential low power HCSL outputs with on-chip termination
  • Individual output enable
  • Programmable slew rate and output amplitude for each output
  • Differential outputs blocked until PLL is locked
  • Strapping pins or SMBus for configuration
  • 3.3V tolerant SMBus interface support
  • Very low jitter outputs:
    • Less than 50ps differential cycle-to-cycle jitter
    • Less than 20ps differential output-to-output skew
    • PCIe Gen1/Gen2/Gen3/Gen4 compliant
  • Packaging (Pb-free and green):
    • 32-lead 5mm x 5mm TQFN
    • 16-pin TQFN

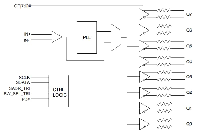
Block Diagram

Block Diagram - Diodes Incorporated PCI Express (PCIe) Clock Buffers
View Results ( 4 ) Page
Part Number Datasheet Description Number of Outputs Propagation Delay - Max Max Output Freq
PI6CB18401ZHIEX PI6CB18401ZHIEX Datasheet Clock Buffer Clock Buffer W-QFN5050-32 T&R 2.5K 4 Output 4.5 ns 100 MHz
PI6C5946004ZHIEX PI6C5946004ZHIEX Datasheet Clock Buffer 6GHz/12Gbps Clock Data Fanout Buffer 4 Output 400 ps 6 GHz
PI6CB18601ZLAIEX PI6CB18601ZLAIEX Datasheet Clock Buffer Clock Buffer W-QFN5050-40 T&R 3.5K 6 Output 4.5 ns 100 MHz
PI6CB18801ZLIEX PI6CB18801ZLIEX Datasheet Clock Buffer Clock Buffer V-QFN6060-48 T&R 3K 8 Output 4.5 ns 100 MHz
Published: 2018-08-31 | Updated: 2022-09-30