Diotec Semiconductor BCx Bipolar Transistors

Diotec Semiconductor BCx Bipolar Transistors are general-purpose NPN transistors. These transistors include general-purpose Si-Epitaxial planar transistors (BCx) as well. The BCx bipolar transistors are arranged into three groups based on their current gains. The BCx transistors feature 500mW power dissipation. These bipolar transistors are available in the TO-92 plastic case and are compliant with RoHS, REACH, and conflict minerals. Typical applications include switching, signal processing, and commercial-grade applications.

Features

  • General-purpose NPN transistors
    • Include general-purpose Si-Epitaxial planar transistors
  • Three current gain groups 
  • Built with UL 94V-0 case materials
  • Compliant with RoHS, REACH, and conflict minerals

Applications

  • Switching
  • Signal processing
  • Commercial-grade

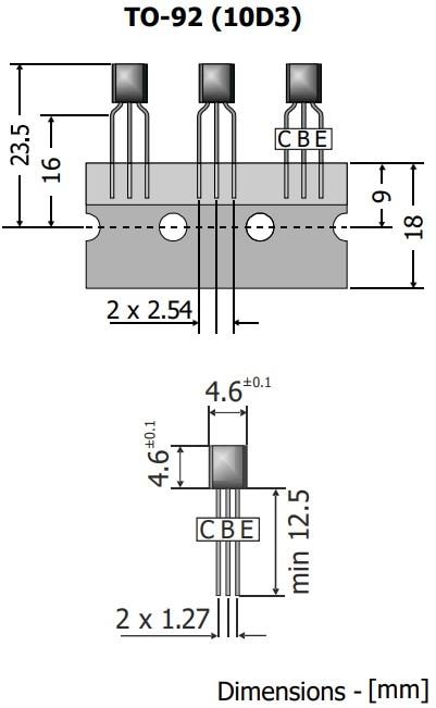
Dimensions

Mechanical Drawing - Diotec Semiconductor BCx Bipolar Transistors
Published: 2022-03-29 | Updated: 2023-03-13