Displaytech Displaytech 64128KX LCD Module

Displaytech Displaytech 64128KX LCD Module features a 50mm x 25mm viewing area and a 128 x 64 resolution. This FSTN (Film-Compensated Super Twisted Nematic) LCD module includes a Sitronix ST7565R Chip-On-Glass (COG) Controller and a Flexible Printed Circuit (FPC) interface. The ST7565R is a single-chip dot matrix LCD driver that can be connected directly to a microprocessor bus. 8-bit parallel or 4-line SPI display data sent from the microprocessor is stored in the internal display data RAM, and the chip generates a LCD drive signal independent of the microprocessor.

The Displaytech Displaytech 64128KX LCD Module is offered in two variants

  • 64128KX utilizes a white LED backlight, resulting in a white background color
  • 64128KX-RGB utilizes an RGB LED LED backlight, enabling  in a white background colors of Red, Pure Green, and Blue

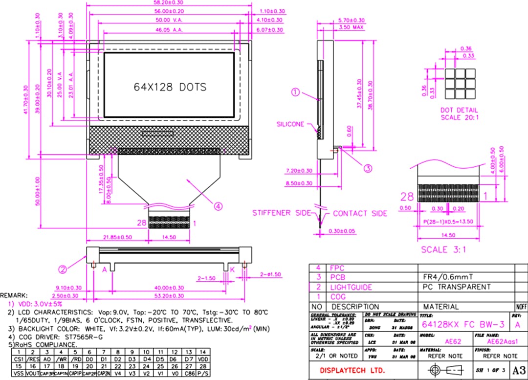
Both variants feature an overall module size of 58.2mm x 41.7mm x 8.5mm.

Features

  • 128 x 64 resolution
  • 0.33mm x 0.33mm pixel size
  • 50.00mm x 25.00mm viewing area
  • 58.20mm x 41.70mm x 8 .50mm overall module dimensions
  • FSTN display type
  • Transflective polarizer mode
  • 6 o'clock / 12 o'clock viewing angle
  • LED backlight
  • Externally powered backlight driver
  • Backlight color
  • Controller and LCD driver: Sitronix ST7565R
  • Driving method: 1/65 duty, 1/9 bias

Applications

  • Appliances
  • Consumer goods
  • HVAC and security displays
  • Handheld devices
  • Military
  • POS and vending
  • Scales
  • Telecom and communication
  • Test and measurement

Mechanical Drawing

Mechanical Drawing - Displaytech Displaytech 64128KX LCD Module
Published: 2015-01-06 | Updated: 2022-03-11