E-Switch TL1030 Tactile Switches
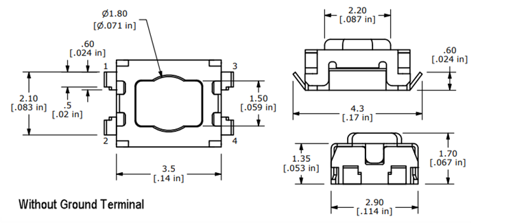
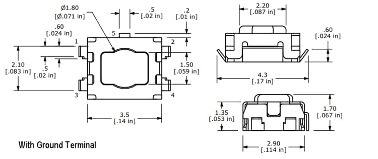
E-Switch TL1030 Tactile Switches feature a compact, surface-mount 3.5mm x 2.9mm size with multiple actuation force options, including 160gf, 200gf, 350gf, and 500gf. The TL1030 series offers models with and without a ground terminal. The switches operate a 50mA electrical rating at 12VDC and a single-pole, single-throw (SPST) off/on functionality. The switches provide a 100mΩ max initial contact resistance, a 100MΩ min insulation resistance at 500VDC, and up to 200,000-cycle life expectancy. The E-Switch TL1030 Tactile Switches are ideal for various industrial and electrical applications, including audio/visual (A/V) equipment, computer peripherals, consumer electronics, instrumentation, medical equipment, and telecommunications.Features
- Surface-mount design
- 3.5mm x 2.9mm dimensions
- Multiple actuation force options
- Ground terminal option
- Up to 200,000 cycles life expectancy
- RoHS compliant
Applications
- A/V
- Computer peripherals
- Consumer electronics
- Instrumentation
- Medical equipment
- Telecommunications
Specifications
- 50mA, 12VDC electrical rating
- 100mΩ max initial contact resistance
- 100MΩ min insulation resistance at 500VDC
- 250VAC dielectric strength for 1 min
- 0.15mm ±0.1mm travel
- SPST, Off/On function
- -40°C to +85°C operating/storage temperature range
Application Overview
Dimensions (mm) with Ground Terminal
Dimensions (mm) without Ground Terminal
Videos
Published: 2024-08-06
| Updated: 2024-08-20
