Kingston Universal Flash Storage (UFS) Devices

Kingston Universal Flash Storage (UFS) Devices combine the 3D NAND and UFS controller inside as one JEDEC standard package, providing a standard interface to the host. The UFS controller directly manages NAND flash, including ECC, IOPS optimization, wear-leveling, and read sensing. These UFS devices feature error-free memory access and 1.2V typical VCCQ and 2.5V typical VCC operating voltages. The UFS devices operate within the -25°C to 85°C temperature range and are RoHS compliant. Typical applications include smartphones, cameras, tablets, electronic toys, smart homes, wearable, automotive sensors, Virtual Reality (VR), and unmanned aerial vehicles that require mass storage.

Features

  • UFS layering:
    • UFS Command Set Layer (UCS)
    • UFS Transport Protocol Layer (UTP)
    • UFS Interconnect Layer (UIC)
  • Error-free memory access:
    • Internal Error Correction Code (ECC) to protect data communication
    • Internal enhanced data management algorithm
    • Solid protection of sudden power failure safe-update operations for data content
  • Security:
    • Discard
    • Replay Protected Memory Block (RPMB)
    • Support secure bad block erase commands
    • Enhanced write protection with permanent and partial protection options
  • Performance:
    • High priority interrupt
    • Background operation
    • Command queuing
    • Data tag
    • Context ID
    • Cache operation
    • Write booster
    • Host performance booster
  • Reliability:
    • Dynamic capacity
    • Real-time clock
    • Production State Awareness (PSA)
  • RoHS compliant

Specifications

  • Support for high-speed gear rates up to HS-GEAR4 (2-lane):
    • PWM:
      • Supports gear 1
    • HS-BURST:
      • Supports gear 1 to 4
  • Packaged NAND flash memory with UFS 3.1 interface
  • Compliant with UFS 3.1
  • Operating voltage:
    • 1.2V typical VCCQ
    • 2.5V typical VCC
  • -25°C to 85°C operating temperature range

Applications

  • Smartphones
  • Cameras
  • Tablets
  • Electronic toys
  • Smart homes
  • Wearable
  • Automotive sensors
  • Virtual Reality (VR)
  • Unmanned aerial vehicles that require mass storage.

Block Diagram

Block Diagram - Kingston Universal Flash Storage (UFS) Devices

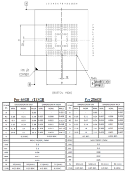
Dimensional Diagrams

Published: 2023-10-10 | Updated: 2025-03-17