Infineon Technologies TLD5098EP_SEPIC Evaluation Board

Infineon Technologies TLD5098EP_SEPIC Evaluation Board is an AEC-qualified evaluation board in a SEPIC topology designed as an LED driver. It delivers up to 21W with efficiency above 85%. When enabled by jumpers, the board is equipped with an output current adjustment trimmer, power derating circuitry, and a Cold Crank Survival Circuit (CCSC).

Features

  • Output current adjustment trimmer
  • Power derating circuitry
  • Cold crank survival circuit
  • Delivers up to 21W with efficiency above 85%
  • 1A maximum output current
  • 6V to 23V output voltage range
  • 8V to 27V supply voltage range
  • AEC-qualified
  • RoHS compliant

Applications

  • Daytime runnning lights
  • High beams
  • Low beams
  • Full headlamps

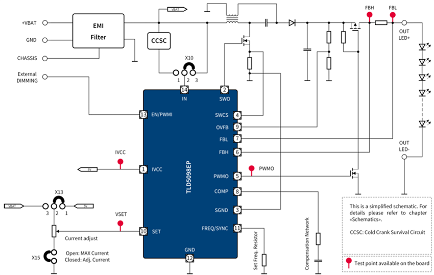
Simplified Schematic

Schematic - Infineon Technologies TLD5098EP_SEPIC Evaluation Board

Default Configuration

Location Circuit - Infineon Technologies TLD5098EP_SEPIC Evaluation Board

Current Adjustment

Location Circuit - Infineon Technologies TLD5098EP_SEPIC Evaluation Board

Power Derating

Location Circuit - Infineon Technologies TLD5098EP_SEPIC Evaluation Board

Cold Crank Survival Circuit

Location Circuit - Infineon Technologies TLD5098EP_SEPIC Evaluation Board
Published: 2025-01-31 | Updated: 2025-02-13