Infineon Technologies TLE985x H-Bridge MOSFET Driver ICs

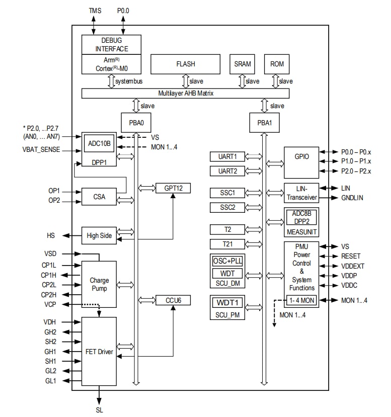
Infineon Technologies TLE985x H-Bridge MOSFET Driver ICs are single-chip 2-phase motor drivers that integrate an Arm® Cortex® M0 core with an NFET driver. These ICs feature four fully integrated NFET drivers, a charge pump enabling low voltage operation, and programmable current along with current slope control. The four fully integrated NFET drivers optimized to drive a 2-phase motor via four external power NFETs. The TLE985x ICs come in a leadless VQFN-48 package to save board space. These ICs supply external loads with the help of an on-chip linear voltage regulator.

The TLE985x IC's peripheral set includes a successive approximation ADC synchronized with the capture and compare unit for PWM control, a current sensor, and 16-bit timers. These ICs also include an integrated LIN transceiver to enable communication to the device along with a number of general purpose I/Os. Typical applications include window lift, sunroof, electrical fan, electrical pumps, and LIN addressed motor control.

Features

  • 32-bit Arm Cortex M0 core at up to 40MHz
  • 5.5V to 28V single power supply
  • 96KB FLASH
  • Up to 4KB RAM
  • 1x LIN transceiver
  • 2x UART
  • 2x SSC
  • 2-phase bridge driver with charge pump and PWM generator
  • 1x low-side shunt current sense amplifier
  • 1x 10-bit ADC/12channel
  • 1x 8-bit ADC/9channel
  • 9x 16-bit timer
  • 1x 24-bit timer
  • -40°C to 150°C temperature range
  • Ultra-compact application footprint with VQFN-48 packages

Applications

  • Window lift
  • Sunroof
  • Electrical fan
  • Electrical pump
  • Single-phase pumps and fans
  • LIN addressed motor control

Block Diagram

Block Diagram - Infineon Technologies TLE985x H-Bridge MOSFET Driver ICs

TLE985x H-Bridge MOSFET Driver IC Overview

Location Circuit - Infineon Technologies TLE985x H-Bridge MOSFET Driver ICs
Published: 2019-04-04 | Updated: 2023-11-30