IXYS Sx02CSx Teccor® 1.25A Sensitive SCRs

IXYS Sx02CSx Teccor® 1.25A Sensitive SCRs provide excellent unidirectional switches for phase control applications, including heating and motor speed controls. The sensitive gate SCRs are easily triggered with microAmps of current as offered by sense coils, proximity switches, and microprocessors.

Typical applications are capacitive discharge systems for strobe lights and gas engine ignition. Additional applications include controls for power tools, home/brown goods, and white goods appliances.

Features

  • RoHS compliant
  • Glass-passivated junctions
  • Voltage capability up to 800V
  • Surge capability up to 20A

Applications

  • Capacitive discharge systems for strobe lights and gas engine ignition
  • Controls for power tools, home/brown goods, and white goods appliances

Specifications

  • 1.25A IT(RMS)
  • 800V VDRM/VRRM
  • 50 to 200uA IGT
  • 60°C/W Rth(JC)

Schematic

Schematic - IXYS Sx02CSx Teccor® 1.25A Sensitive SCRs

Simple Test Circuit

Location Circuit - IXYS Sx02CSx Teccor® 1.25A Sensitive SCRs

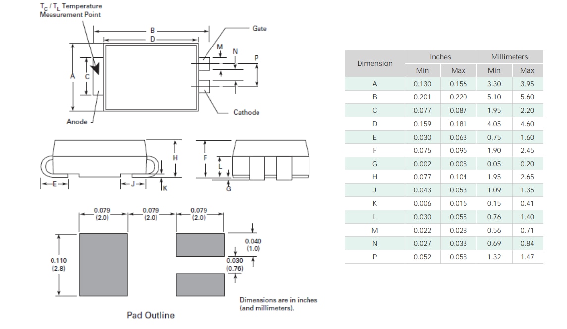
Package Dimensions-Compak (C Package)

Mechanical Drawing - IXYS Sx02CSx Teccor® 1.25A Sensitive SCRs
Published: 2021-09-10 | Updated: 2022-03-11