Littelfuse 25EV1K High Voltage Fuses

Littelfuse 25EV1K High Voltage Fuses are designed to protect high-voltage circuits in electric vehicles (EV) and hybrid passenger vehicles. The fuses feature a 1000VDC voltage rating with a 30kA interrupting rating. The 25EV1K series provides a UL 94V-0-rated melamine body, zinc alloy end caps, and copper alloy terminals. The Littelfuse 25EV1K High Voltage Fuses operate with a 12Nm mounting torque within a -40°C to +125°C operating temperature range.

Features

  • Protects high-voltage circuits
  • UL 94V-0 flammability-rated melamine body
  • Zinc alloy end caps
  • Copper alloy terminals
  • 100g typical weight
  • Refers to ISO 8820-8
  • Suitable for EV and hybrid passenger vehicles

Specifications

  • 1000VDC voltage rating
  • 30kA interrupting rating at 1000VDC
  • 12Nm recommended mounting torque
  • 70A to 100A current range
  • M8 bolt-down termination style
  • -40°C to +125°C operating temperature rating

Videos

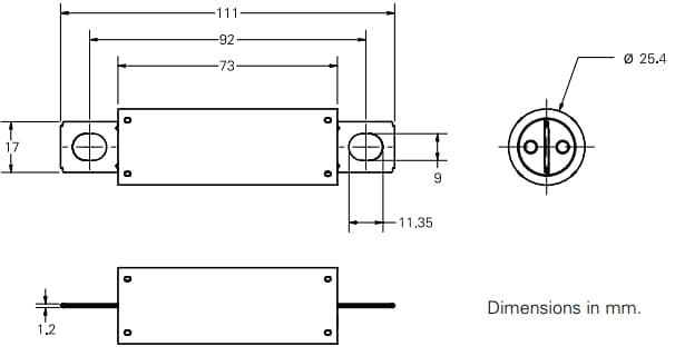
Dimensions

Mechanical Drawing - Littelfuse 25EV1K High Voltage Fuses
Published: 2024-04-12 | Updated: 2025-05-09