MACOM CGHV35400F1-AMP Evaluation Board

MACOM CGHV35400F1-AMP Evaluation Board is engineered to evaluate the CGHV35400F 400W 2.9GHz to 3.5GHz, 50Ohm I/O Matched GaN HEMT for S-Band radar amplifier applications. The CGHV35400F offers high efficiency, high gain, and vast bandwidth capabilities.

The MACOM CGHV35400F1-AMP Evaluation Board comes with the CGHV35400F HEMT installed.

Features

  • 2.9GHz to 3.5GHz operation
  • 500W typical output power
  • 11dB power gain
  • 70% typical drain efficiency
  • 50Ω internally matched
  • <0.3dB pulsed amplitude droop

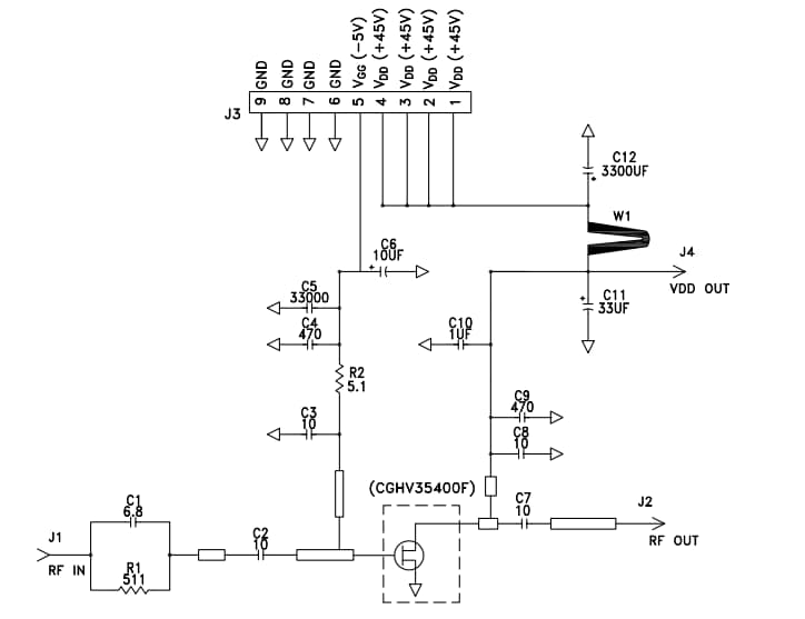
Application Circuit

Schematic - MACOM CGHV35400F1-AMP Evaluation Board
Published: 2021-09-12 | Updated: 2024-01-17