MACOM Low Phase Noise Amplifiers

MACOM Low Phase Noise Amplifiers are wideband ultra-low phase noise distributed amplifiers in a lead-free 4mm 16-lead PQFN package. These amplifiers feature a DC-blocked RF output port, and a control circuit controls these amplifiers. The ultra-low phase amplifiers undergo a low-phase noise HBT fabrication process, which features full passivation for optimum reliability. These ultra-low phase noise amplifiers are suitable for use as a low noise amplifier stage for signal generation applications. The ultra-low phase amplifiers are ideal for applications requiring ultra-low phase noise and drive power. Typical applications include test and measurement, radar, Electronic Countermeasures (ECM), and Electronic Warfare (EW).

Features

  • MAAL-011154:
    • -165dBc/Hz phase noise at 10kHz offset
    • 5dB noise figure at 5GHz
    • 85mA bias current
  • MAAL-011155:
    • -167dBc/Hz phase noise at 10kHz offset
    • 5dB noise figure at 6GHz
    • 90mA bias current
  • Wideband performance
  • 5V bias voltage
  • 50Ω matched input/output
  • Only positive voltage
  • Lead-free 4mm 16-lead PQFN package
  • RoHS compliant

Specifications

  • MAAL-011154:
    • 4000MHz to 8000MHz operating frequency range
    • 15.7dB gain
    • -165dBc/Hz phase noise
    • 4dB NF
    • 29dBm OIP3
  • -40°C to 150°C maximum storage temperature
  •  MAAL-011155:
    • 6000MHz to 12000MHz operating frequency range
    • 16dB gain
    • -167dBc/Hz phase noise
    • 5dB NF
    • 31.5dBm OIP3
  • -40°C to 85°C maximum operating temperature

Applications

  • Test and measurement
  • Electronic Warfare (EW)
  • Electronic Countermeasures (ECM)
  • Radar

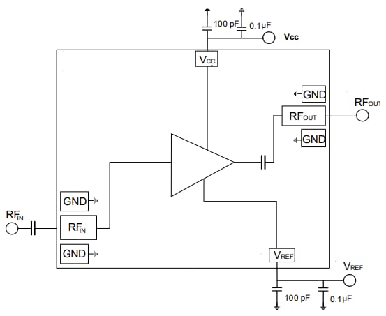
Application Schematic Diagram

Schematic - MACOM Low Phase Noise Amplifiers
Published: 2022-12-28 | Updated: 2023-02-23