Micro Commercial Components (MCC) 1200V SiC N-Channel MOSFET

Micro Commercial Components (MCC) 1200V SiC N-Channel MOSFET is designed for high switching frequency and high blocking voltage with low on-resistance and avalanche capability. This MOSFET operates within a gate-source voltage of -4V to 18V and performs optimally at 18V. The 1200V n-channel MOSFET at operates on a temperature range of -55°C to 175°C  and thermal resistance of 0.68°C /W junction to case. This MOSFET is halogen-free, lead-free/RoHS compliant, and includes epoxy with a flammability rating of UL 94 V-0. The applications include solar inverters, switch mode power supplies, high voltage DC/DC converters, battery chargers, and motor drivers. SICW080N120Y-BP

Features

  • SiC MOSFET technology (Discrete Silicon Carbide MOSFETs)
  • Higher switching frequency due to low parasitic capacitances
  • High blocking voltage with low RDS(on)
  • Stable on resistance over temperature
  • Easy to parallel and simple to drive
  • Improved system-level efficiency
  • Avalanche ruggedness

Specifications

  • 1200V Drain-Source Voltage (VDS)
  • -8V/22V Gate-Source Voltage (VGSmax)
  • -4V/18V Gate-Source Voltage (VGSop)
  • 38A continuous Drian Current (ID)
  • 80A Pulsed Drain Current (IDM)
  • 220W total power dissipation at 25°C (TC)
  • 94W total power dissipation at 110°C  (TC)
  • -55°C to 175°C operating and storage temperature range 
  • 0.68°C /W junction to case thermal resistance

Applications

  • Solar inverters
  • Switch mode power supplies
  • High-voltage DC/DC converters
  • Battery chargers
  • Motor drivers

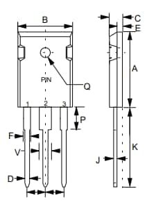
Mechanical Drawing

Mechanical Drawing - Micro Commercial Components (MCC) 1200V SiC N-Channel MOSFET
Published: 2022-11-08 | Updated: 2022-12-05