Micro Commercial Components (MCC) 600V Super Fast Recovery Rectifiers
Micro Commercial Components (MCC) 600V Super Fast Recovery Rectifiers are compact and low-profile designs that meets powerful performance with low leakage current. These recovery rectifiers feature forward currents of 16A or 30A per device, 1.7mm of minimal height, and deliver superior power. The 600V super-fast rectifiers minimize losses and maximize efficiency for a range of applications with low forward voltage and low leakage current. These recovery rectifiers are housed in a sleek TO-263AC package and are compatible with the in-demand D2PAK footprint. The 600V super-fast rectifiers are ideal for reliable power management in industrial, consumer, and telecommunications applications.Features
- Low switching losses and high efficiency
- Low reverse leakage
- Ultrafast recovery time
- Planar structure die and soft recovery characteristics
- Moisture Sensitivity Level (MSL) 1
- Epoxy meets UL 94 V-0 flammability rating
- Lead and halogen-free
Specifications
- 600V reverse voltage
- Junction capacitance (VR=600V, f=1MHz, TJ=25°C):
- 12.5pF (MURBF1660CT)
- 20pF (MURBF1660C and MURBF3060CT)
- Reverse current:
- 10μA (VR=600V, TJ=25°C)
- 100μA (VR=600V, TJ=125°C)
- -55°C to 175° operating temperature range
Applications
- Industrial:
- Motor control systems
- Power supplies for industrial equipment
- Heavy-duty rectification stations
- Consumer:
- Switch-Mode Power Supplies (SMPS) for home appliances
- Power management in high-end audio/visual equipment
- Telecommunications:
- Power rectifiers in telecommunication racks
- DC power systems for telecom infrastructure
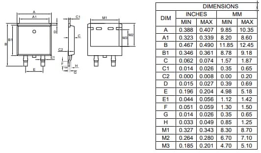
Dimension Diagram
View Results ( 3 ) Page
| Part Number | If - Forward Current | Configuration | Vf - Forward Voltage | Max Surge Current | Recovery Time |
|---|---|---|---|---|---|
| MURBF1660C-TP | 16 A | Common Cathode | 1.1 V | 200 A | 94 ns |
| MURBF1660CT-TP | 8 A | Dual Common Cathode | 1.2 V | 120 A | 58 ns |
| MURBF3060CT-TP | 15 A | Dual Common Cathode | 1.08 V | 200 A | 92 ns |
Published: 2024-02-29
| Updated: 2024-03-20
