MEAN WELL CSP-3000 Single Output Power Supply

MEAN WELL CSP-3000 Single Output Power Supply offers an AC input range of 180 to 264VAC, efficiency up to 93%, and a built-in active PFC function. The CSP-3000 power supply features forced air cooling by built-in DC fans, a built-in remote ON-OFF control, and short circuit, overload, over voltage, over temperature, and fan failure protection. MEAN WELL CSP-3000 Single Output Power Supply is ideal for UV curing equipment, fish lamps, burn-in facilities, and factory control or automation apparatuses. 

Features

  • 180 to 264VAC input range
  • Built-in active PFC function
  • High efficiency up to 93%
  • Forced air cooling by built-in DC fans
  • Output voltage and current programmable
  • Active current sharing up to 7200W
  • Built-in remote ON-OFF control
  • Short circuit, overload, over voltage, over temperature, and fan failure protections
  • Optional conformal coating

Applications

  • Factory control or automation apparatuses
  • Test and measurement instruments
  • Laser related machine
  • UV curing equipment
  • Fish lamps
  • Burn-in facility

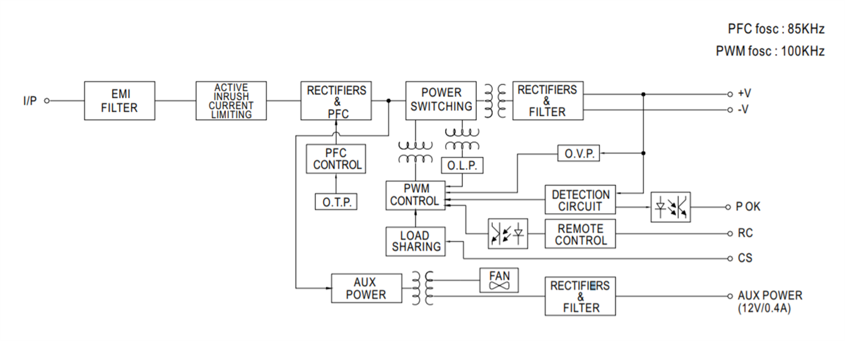
Block Diagram

Block Diagram - MEAN WELL CSP-3000 Single Output Power Supply
Published: 2019-04-10 | Updated: 2024-09-04