Microchip Technology ADM00873 Evaluation Board
Microchip Technology ADM00873 Evaluation Board is a fully-assembled, -programmed, and -tested solution to evaluate and demonstrate the MCP331x1 operating performance. The MCP331x1 is a baseline single-channel 12/14/16-bit 1 Msps SAR Analog-to-Digital Converter (ADC). The ADM00873 Evaluation Board comes with the MCP331x1 device on board.The ADM00873 Evaluation Board is designed to work with the Curiosity PIC32MZEF Development Board (DM320104) and SAR ADC Utility Software. The Curiosity PIC32MZEF Development Board (DM320104) is a fully-integrated 32-bit development platform featuring the high-performance PIC32MZ EF Series PIC® Microcontroller (PIC32MZ2048EFM100). The DM320104 captures the digital data received from the ADM00873 Evaluation Board.
Features
- –VREF to +VREF full-scale analog input range
- –4 VPP to +4 VPP ADM00873 with MCP33131D/21D/11D:
- Evaluation of performance metrics, such as SNR, SFDR, INL, DNL, and so on
- Dynamic performance monitoring
- Ability to save and load software configurations
- Ability to save and load raw data for user post-processing
Kit Contents
- 1x ADM00873 SAR ADC evaluation board
- 1x 9V power supply
Required Equipment
- Curiosity PIC32MZEF Development Board (DM320104)
- Sold separately
- Type A male-to-micro-B USB cable
- Not provided with the kit
- External signal input
- Supplied by the user
- SAR ADC utility software
- Available on the Microchip website
ADM00873 connected to the Curiosity PIC32MZEF Development Board
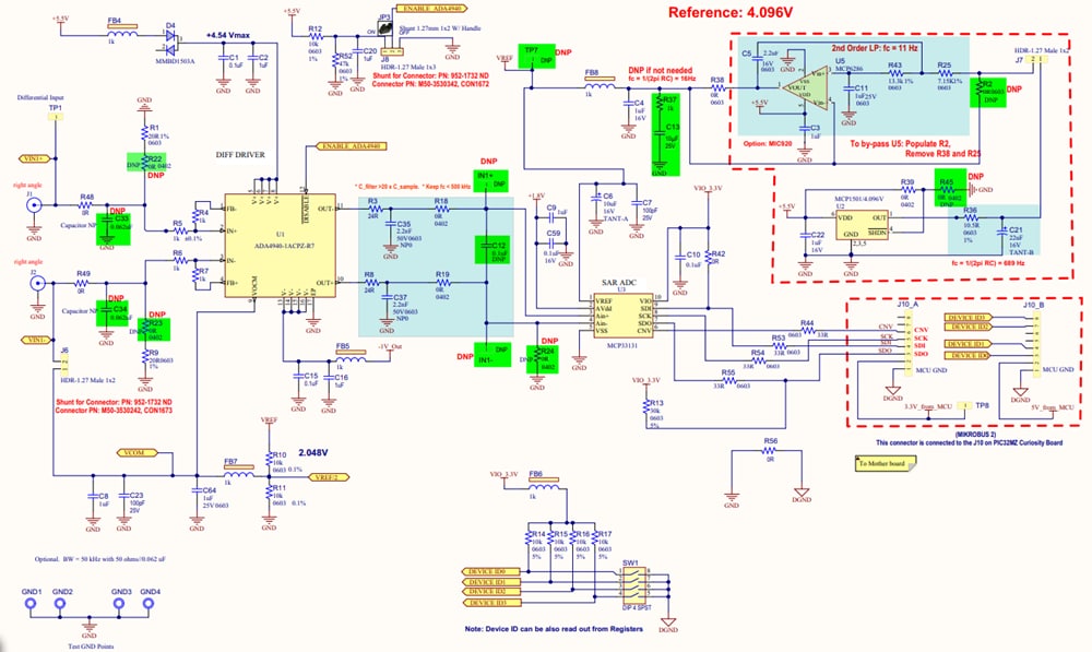
Schematic
Published: 2019-06-13
| Updated: 2023-06-02
