Atmel / Microchip ATmega1284P 8-bit Microcontrollers

Atmel / Microchip ATmega1284P is a high-performance 8-bit AVR® RISC-based microcontroller that executes powerful instructions in a single clock cycle. Throughputs close to 1MIPS per MHz are achieved in a single clock cycle, giving the designer the benefit of optimizing the device for power consumption versus processing speed. 

Features

  • High-performance, Low-power AVR 8-bit Microcontroller
  • Advanced RISC architecture
  • Nonvolatile program and data memories
  • JTAG (IEEE std. 1149.1 compliant) interface
  • I/O and Packages
    • 32 programmable I/O lines
    • 40-pin PDIP, 44-lead TQFP, and 44-pad QFN/MLF
  • –1.8 to 5.5V operating voltage range
  • Speed Grades
    • 0-4MHz at 1.8V to 5.5V
    • 0-10MHz at 2.7V to 5.5V
    • 0-20MHz at 4.5V to 5.5V
  • Power consumption at 1MHz, 1.8V, +25°C

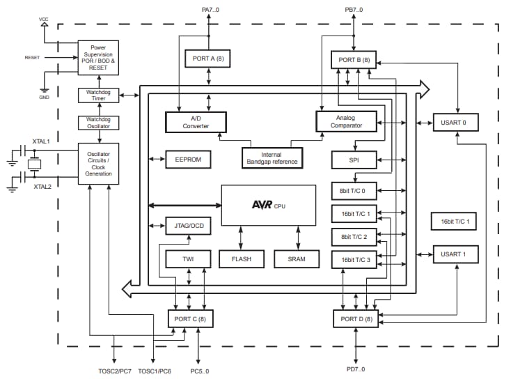
Block Diagram

Block Diagram - Atmel / Microchip ATmega1284P 8-bit Microcontrollers
Published: 2019-08-28 | Updated: 2023-04-27