Microchip Technology HV7360 High Speed Ultrasound Pulser

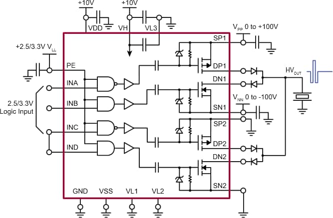
Microchip HV7360 is a high voltage, high-speed, pulse generator with built-in, fast return to zero damping FETs. Microchip HV7360 high voltage and high-speed integrated circuit is designed for portable medical ultrasound image devices, but can also can be used for NDT and test equipment applications. The HV7360 consists of a controller logic interface circuit, level translators, AC coupled MOSFET gate drivers and high voltage and high current P-channel and N-channel MOSFETs as the output stage. The peak output currents of each channel are guaranteed to be over ±2.5A with up to ±100V of pulse swing. The AC coupling topology for the gate drivers not only saves two floating voltage supplies, it also makes the PCB layout easier.

Features

  • HVCMOS technology for high performance
  • High-density integration AC coupled pulser
  • 0 to ±100V output voltage
  • ±2.5A source and sink minimum pulse current
  • Up to 35MHz operating frequency
  • 2.0ns matched delay times
  • 2.5, 3.3 or 5.0V CMOS logic interface
  • Low power consumption and very simple to use

Applications

  • Medical ultrasound imaging
  • Piezoelectric transducer drivers
  • NDT ultrasound transmission
  • Pulse waveform generator

HV7360 Application Diagram

Microchip Technology HV7360 High Speed Ultrasound Pulser
Published: 2013-08-19 | Updated: 2022-03-11