Mikroe MIKROE-2510 Heart rate 4 click

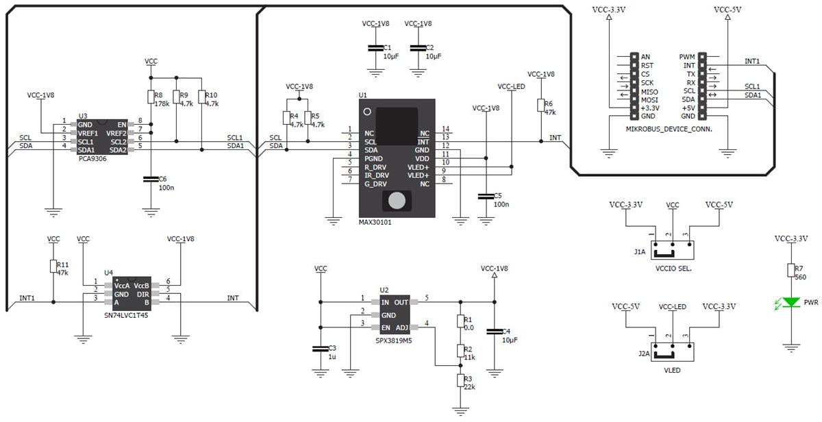
Mikroe MIKROE-2510 Heart rate 4 click carries the Maxim Integrated MAX30101 Heart-Rate Sensor. The click can run on either 3.3V or 5V power supplies. The Heart rate 4 click communicates with the target MCU over an I2C interface, with additional functionality provided by INT pin on the mikroBUS™ line.

The MAX30101 is an integrated pulse oximetry and heart-rate monitor module. The MAX30101 includes internal LEDs, photodetectors, optical elements, and low-noise electronics with ambient light rejection. The MAX30101 has an on-chip temperature sensor for calibrating the temperature dependence of the SpO2 subsystem. The Heart rate click 4 carries the same sensor as the Hexiwear.

Features

  • MAX30101 Heart-Rate Sensor
  • Programmable Sample Rate and LED Current for Power Savings
  • Low-Power Heart-Rate Monitor (< 1mW)
  • Ultra-Low Shutdown Current (0.7µA, typ)
  • I2C interface
  • 3.3V or 5V power supply

Applications

  • Optical heart rate monitoring

Schematic

Mikroe MIKROE-2510 Heart rate 4 click
Published: 2017-05-10 | Updated: 2022-07-08