Mikroe MIKROE-2883 Cap Extend 3 Click
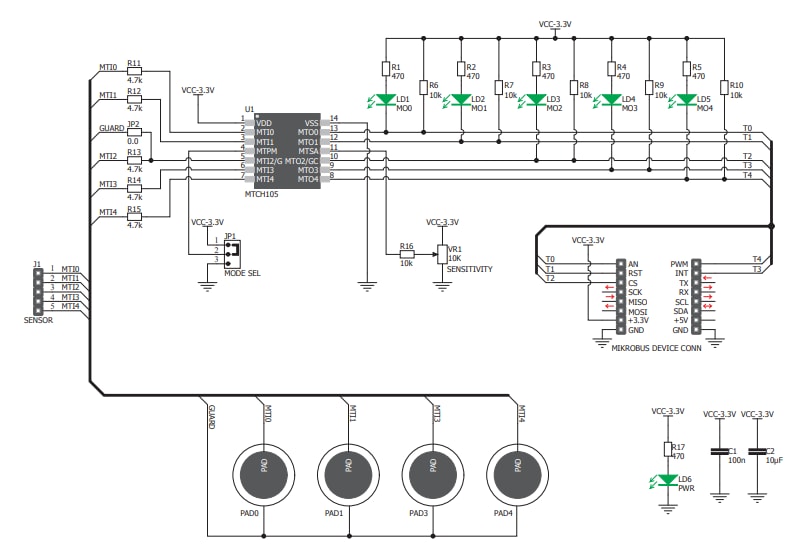
Mikroe MIKROE-2883 Cap Extend 3 Click features four capacitive sensor pads that can sense touch through a variety of different materials. This click board uses metal over capacitive technology and can sense touch through plastic, wood, or even metal. This Mikroe click board also features a connector used for connecting external sensors. This click board allows designers to implement human-machine interfaces and integrate touch-sensitive buttons into various kinds of front panels.The MIKROE-2883 click features MTCH105 proximity/touch controller with active guarding capability. The MTCH105 IC uses a sophisticated scan optimization algorithm to actively attenuate noise from the signal. The MIKROE-2883 click features multi-stage active noise suppression filtering and automatic environmental compensation. This click provides a high Signal-to-Noise Ratio (SNR) and offers support for a wide range of sensor pad shapes and sizes. This click board can be used as a replacement for buttons or switches, light switches, office equipment and toys, and display and keypad backlight activation.
Features
- Onboard MTCH105 5-channel proximity/touch controller
- Multi-stage active low noise suppression filtering
- Automatic environment compensation
- High signal-to-noise ratio (SNR)
- Senses touch through different materials and metal panels
- GPIO interfaces
- 3.3V input voltage
- 57.15mm x 25.4mm dimensions
Applications
- Replacement for buttons or switches
- Light switches
- Office equipment and toys
- Displays
- Keypad backlight activation
Top View
Schematic
Published: 2018-03-15
| Updated: 2022-08-17
