Monolithic Power Systems (MPS) EV6605E-R-00A Evaluation Board
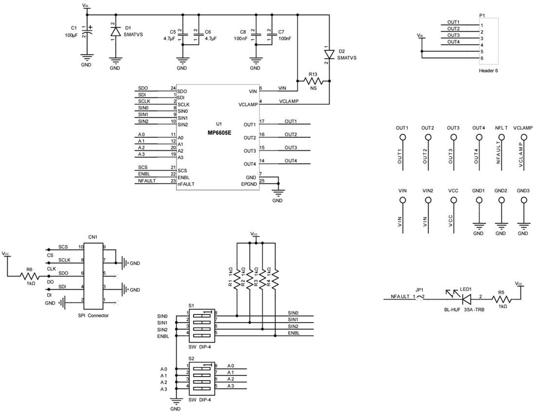
Monolithic Power Systems (MPS) EV6605E-R-00A Evaluation Board is designed to evaluate the MP6605E, a 4-channel Low-Side MOSFET (LS-FET) driver with a serial interface. This board features a wide 4.5V to 60V input voltage range, 350mΩ MOSFET on resistance, 3.3V and 5V compatible logic supply, and Over-Current Protection (OCP). The EV6605E-R-00A board also features Under-Voltage Lockout (UVLO), Over-Temperature Protection (OTP), and fault indication output. The MP6605E driver is available in a QFN-24 (4mm x 4mm) package. Typical applications include unipolar stepper motors and solenoid drivers.Features
- Wide 4.5V to 60V input voltage (VIN) range
- 60V maximum winding clamp Voltage (VCLAMP)
- Four Low-Side MOSFETs (LS-FETs) and clamp diodes
- 350mΩ MOSFET on resistance
- 1.5A maximum output current (IOUT) while one LS-FET is ON
- 700mA maximum IOUT while four LS-FETs are ON
- Over-Current Protection (OCP)
- Under-Voltage Lockout (UVLO) protection
- Over-Temperature Protection (OTP)
- Fault indication output
- Control power supply not required
- Simple logic interface with Schmitt triggers
- 3.3V and 5V compatible logic supply
- Available in a QFN-24 (4mm x 4mm) package
Applications
- Unipolar stepper motors
- Solenoid drivers
Schematic Diagram
Published: 2023-06-07
| Updated: 2023-06-26
