Monolithic Power Systems (MPS) MP8794 Synchronous Step-Down Converter

Monolithic Power Systems (MPS) MP8794 Synchronous Step-Down Converter is a fully integrated, high-frequency, synchronous buck converter. The MP8794 offers a compact solution that achieves up to 20A of output current (IOUT) with excellent load and line regulation across a wide input supply range. The MP8794 operates at high efficiency across the IOUT load range. The device adopts internally compensated constant-on-time (COT) control to provide a fast transient response and ease loop stabilization. The switching frequency (fSW) can be set to 600kHz, 800kHz, or 1000kHz with MODE configuration. This feature allows the device's frequency to remain constant, regardless of the input voltage (VIN) or output voltage (VOUT).

The VOUT start-up ramp of the MP8794 is controlled by an internal 1ms timer that can be increased by adding a capacitor to REF/TRK. An open-drain power-good (PGOOD) signal indicates whether the output is within its nominal voltage range. PGOOD is clamped to about 0.7V with an external pull-up voltage when the input supply fails to power the MP8794.

Full protection features include over-current protection (OCP), over-voltage protection (OVP), under-voltage protection (UVP), and over-temperature protection (OTP).

The Monolithic Power Systems (MPS) MP8794 Step-Down Converter requires a minimal number of readily available, standard external components and is available in a compact 3.0mm x 4.0mm QFN-21 package.

Features

  • Wide input voltage range
    • 7V to 16V with external 3.3V VCC bias
    • 4V to 16V with internal bias or external 3.3V VCC bias
  • Differential output voltage remote sense
  • Configurable accurate current limit level
  • 20A output current
  • Low RDS(ON) integrated power MOSFETs
  • Adaptive COT for ultra-fast transient response
  • Stable with Zero-ESR output capacitor
  • Output voltage discharge
  • Excellent load regulation
  • Output voltage tracking
  • PGOOD active clamped at a low level during power failure
  • Programmable soft-start time from 1ms
  • Pre-bias start-up
  • Selectable switching frequency from 600kHz, 800kHz, and 1000kHz
  • Non-latch OCP, OVP, UVP, UVLO, and thermal shutdown
  • Adjustable output from 6V to 90% of VIN, up to 5.5V
  • 3.0mm x 4.0mm QFN-21 package

Applications

  • FPGAs
  • Flat-panel televisions and monitors
  • Multi-functional printers
  • Access points and routers
  • Optical modules

Typical Application Circuit

Application Circuit Diagram - Monolithic Power Systems (MPS) MP8794 Synchronous Step-Down Converter

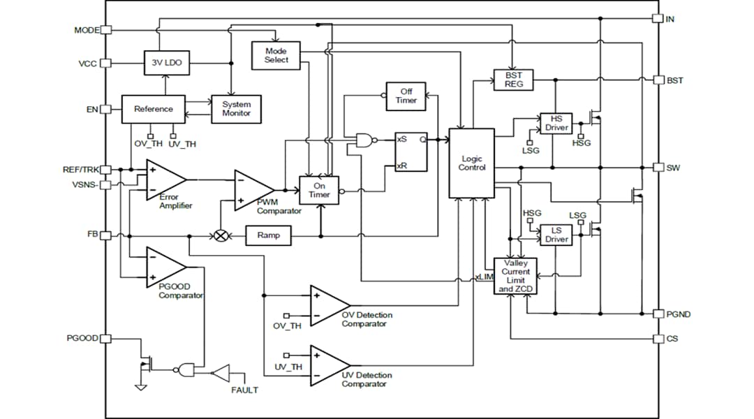
Block Diagram

Block Diagram - Monolithic Power Systems (MPS) MP8794 Synchronous Step-Down Converter

Package Outline

Mechanical Drawing - Monolithic Power Systems (MPS) MP8794 Synchronous Step-Down Converter
Published: 2022-04-11 | Updated: 2022-10-21