Nexperia 74AVC1T1004 Translating 1-to-4 Fan-Out Buffer
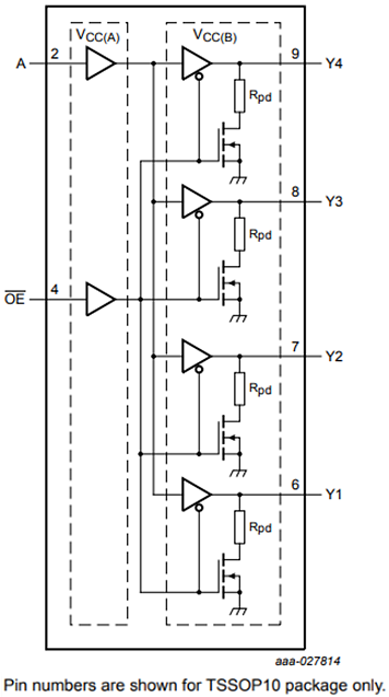
Nexperia 74AVC1T1004 Translating 1-to-4 Fan-Out Buffer is optimal for clock distribution and offers VCC(A) and VCC(B) dual supplies for voltage translation with four data outputs (Yn), a data input (A), and an output enable input. The dual supplies VCC(A) and VCC(B) can be independently supplied at any voltage between 0.8V and 3.6V. The supply configuration of levels of A and output enable referenced to VCC(A), and outputs Yn are referenced to VCC(B). This ensures the fanned-out signals can be used in level shifting. A HIGH on output enable causes all outputs to be pulled LOW via pull-down resistors, and a LOW on output enable disconnects the pull-down resistors and enables all outputs. The IOFF circuitry prevents any damaging backflow current by disabling the output when the buffer is powered down. Nexperia 74AVC1T1004 Translating 1-to-4 Fan-Out Buffer is ideal for portable devices, set-top boxes, computing / servers, and more.Features
- Wide supply voltage range
- VCC(A): 0.8V to 3.6V
- VCC(B): 0.8V to 3.6V
- Complies with JEDEC standards
- JESD8-12 (0.8V to 1.3V)
- JESD8-11 (0.9V to 1.65V)
- JESD8-7 (1.2V to 1.95V)
- JESD8-5 (1.8V to 2.7V)
- JESD8-B (2.7V to 3.6V)
- ESD protection
- HBM ANSI/ESDA/JEDEC JS-001 Class 2 exceeds 2kV
- CDM JESD22-C101 exceeds 1000V
- Maximum data rates
- 380Mbit/s (≥1.8V to 3.3V translation)
- 200Mbit/s (≥1.1V to 3.3V translation)
- 200Mbit/s (≥1.1V to 2.5V translation)
- 200Mbit/s (≥1.1V to 1.8V translation)
- 150Mbit/s (≥1.1V to 1.5V translation)
- 100Mbit/s (≥1.1V to 1.2V translation)
- Latch-up performance exceeds 100mA per JESD 78 Class II
- Inputs accept voltages up to 3.6V
- Specified from -40°C to +85°C and -40°C to +125°C
Applications
- Portable devices
- Set-top boxes
- Industrial
- Computing / servers
- Automotive
Functional Diagram
Published: 2018-08-31
| Updated: 2023-03-15
