NXP Semiconductors MCSPTR2AK396 Development Kit
NXP Semiconductors MCSPTR2AK396 Development Kit is a comprehensive solution for motor control applications. The NXP Semiconductors MCSPTR2AK396 integrates powerful processing, real-time feedback, high-frequency control, and safety features into a single platform. This kit simplifies development, enhances performance, and provides a robust, future-proof motor control solution.Based on the 32-bit Arm® Cortex®-M7 S32K39xx microcontroller and an analog die with voltage regulator, motor control coprocessor, eFlexPWM, LIN/CAN, and Ethernet physical layer, the kit enables rapid prototyping and evaluation of BLDC and PMSM control applications without waiting for final hardware design.
The MCSPTR2AK396 application software utilizes the Automotive Math and Motor Control Library (AMMCLib) set and Real-Time Drivers (RTD) software package to implement the complete reference.
Features
- Hardware features
- Designed for 3-phase PMSM or BLDC motor control, with internal CAN, Ethernet, LIN, SPI, DSP/MSC, QSPI, and I2C
- Resolver, encoder, HALL, or sensorless techniques position/speed sensor options
- DC Bus voltage and current, phase voltages, BEMF voltages, over current/voltage/temperature protections, voltage/current sensors
- Software features
- Field-oriented control (FOC) with field weakening for sinusoidal motor type (PMSM)
- Available as ANSI C examples and model-based designs for non-Autosar applications
- Automotive Math and Motor Control Library (AMMCLib) for control algorithm is built on blocks of a precompiled software library
- FreeMASTER and Motor Control Application Tuning (MCAT) tool for application tuning and variable tracking at different levels of the control structure
- S32 Design Studio for S32 Platform IDE and S32K39xx Real-Time Drivers (RTD) for example software created in the S32DS built on S32K39xx RTD
- 3-phase PMSM motor with resolver, 30V per phase, 3000RPM, 0.32Nm, 95W, 5.2A motor control capabilities
- +24VDC power supply
- Interfaces
- JTAG, Ethernet, CAN
- Onboard PEmicro debugger (micro-USB connector) with virtual COM port for serial communication
- 10-pin JTAG/SWD connector
- Enablement
- ANSI-C-based example SW created in S32 Design Studio for S32 platform built on S32K396 RTD drivers
- Model-Based Design Toolbox (MBDT) example SW built on S32K396 RTD drivers
- FreeMASTER visualization/configuration support
- MCAT tool (part of the software package)
Applications
- Automotive
- Electric two-wheelers
- Electric Vehicle (EV) traction inverters
- Hybrid Electric Vehicle (HEV) applications
- Industrial
- Brushless DC motor (BLDC) control
- Permanent Magnet Synchronous Motor (PMSM)
Videos
Kit Contents
- S32K396-PCIe controller board
- 3-phase PMSM/BLDC low-voltage power stage based on the MC33937A pre-driver integrated circuit
- Micro USB cable
- +24 VDC power supply
- Universal adapter
- PSE power cord
- 3-phase PMSM motor with resolver, 30V per phase, 3000RPM, 0.32Nm, 95W, 5.2A
Kit Layout
Controller Board Layout
Power Stage Layout
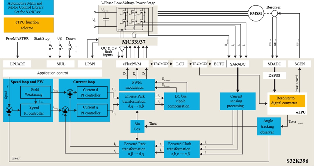
Block Diagram
Published: 2024-12-18
| Updated: 2025-07-02
