onsemi NCV57000 Isolated High Current IGBT Gate Driver

onsemi NCV57000 Isolated High Current IGBT Gate Driver with internal galvanic isolation is designed for high system efficiency and reliability in high-power applications. The NCV57000 has robust features, including complementary inputs, open drain FAULT and Ready outputs, an active Miller clamp, accurate UVLOs, DESAT protection, soft turn-off at DESAT, and separate high and low (OUTH and OUTL) driver outputs for system design convenience. It accommodates both 5V and 3.3V signals on the input side and a wide bias voltage range on the driver side, including negative voltage capability. The IGBT provides >5kVrms (UL1577 rating) galvanic isolation and >1200Viorm (working voltage) capabilities. The NCV57000 Isolated High Current IGBT Gate Driver is packaged to fulfill reinforced safety insulation requirements. It is offered in the wide-body SOIC-16 package with a guaranteed 8mm creepage distance between input and output.

Features

  • High current output (+4/-6A) at IGBT Miller plateau voltages
  • Low output impedance for enhanced IGBT driving
  • Short propagation delays with accurate matching
  • Active Miller clamp to prevent spurious gate turn-on
  • DESAT protection with programmable delay
  • Negative voltage (down to -9V) capability for DESAT
  • Soft turn-off during IGBT short circuit
  • IGBT gate clamping during short circuit
  • IGBT gate active pulldown
  • Tight UVLO thresholds for bias flexibility
  • Wide bias voltage range, including negative VEE2
  • 3.3V to 5V input supply voltage
  • Designed for AEC-Q100 certification
  • 5000V galvanic isolation (to meet UL1577 requirements)
  • 1200V working voltage (per VDE0884-11 requirements)
  • High transient immunity
  • High electromagnetic immunity
  • Pb-free, Halogen-free, and RoHS-compliant

Applications

  • Automotive power supplies
  • HEV/EV powertrains
  • OBC
  • BSG
  • EV chargers
  • PTC heaters

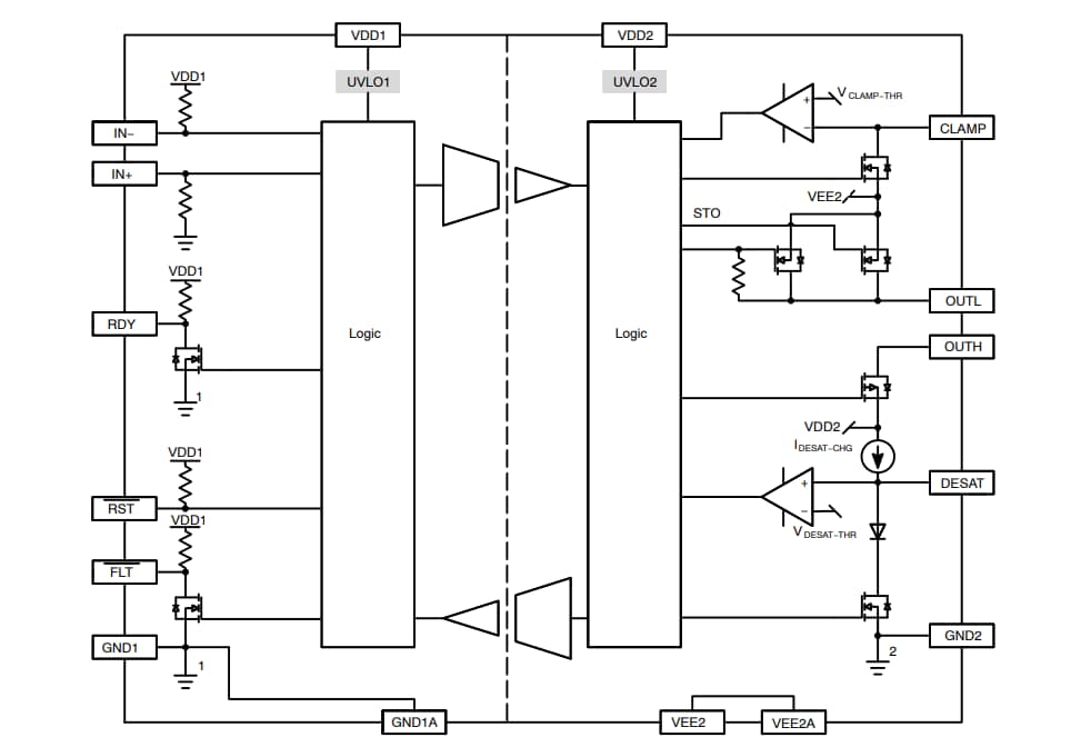
Simplified Block Diagram

Block Diagram - onsemi NCV57000 Isolated High Current IGBT Gate Driver

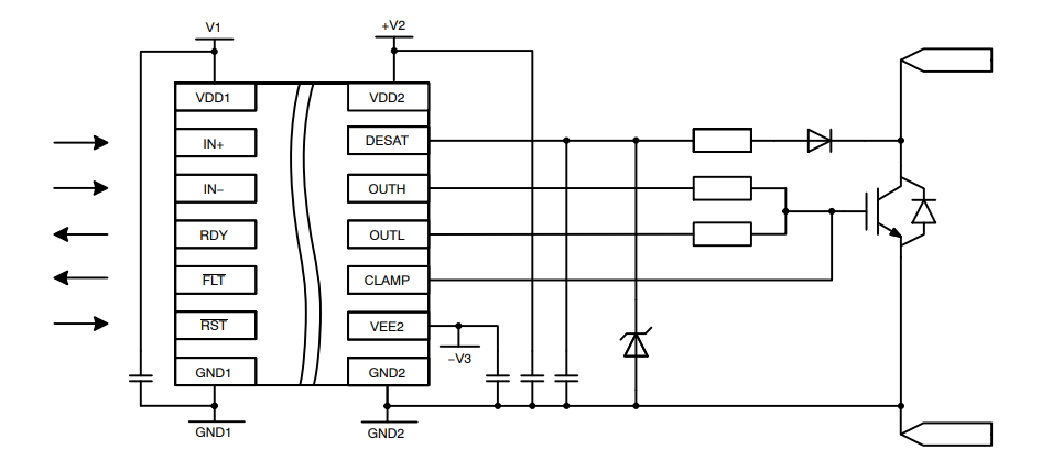
Simplified Application Schematics

Schematic - onsemi NCV57000 Isolated High Current IGBT Gate Driver
Published: 2019-04-30 | Updated: 2024-01-30