onsemi NVMFD6H852NL 80V 25A Automotive Power MOSFET

onsemi NVMFD6H852NL 80V 25A Automotive Power MOSFET is AEC-Q101 qualified and PPAP capable, ideal for use in automotive applications. This dual N-channel device offers a low drain-to-source on-resistance, low gate charge, and low capacitance to minimize driver losses. The NVMFD6H852NL Power MOSFET is offered in a small footprint 8-pin DFN package for compact design, with a wettable flank option available for enhanced optical inspection.

Features

  • AEC-Q101 qualified and PPAP capable
  • 80V drain-to-source voltage (VDSS)
  • 25A maximum continuous drain current (ID)
  • Low drain-to-source on-resistance (RDS(on))
    • 25.5mΩ at 10V
    • 31.5mΩ at 4.5V
  • Low total gate charge (QG(TOT))
    • 10nC at VGS = 10V, VDS = 40V; ID = 10A
    • 5nC at VGS = 4.5V, VDS = 40V; ID = 10A
  • 521pF input capacitance (CISS)
  • 69pF output capacitance (COSS)
  • 4pF reverse transfer capacitance (CRSS)
  • -55°C to +175°C operating junction temperature range
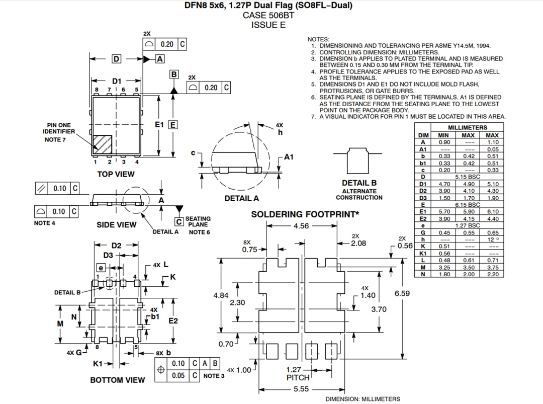
  • DFN-8 package type
  • 5mm x 6mm package dimensions
  • Pb-free and RoHS-compliant

Applications

  • Automotive
  • Uninterruptible power supplies
  • Solar inverters
  • Motor drives

Internal Schematic

Schematic - onsemi NVMFD6H852NL 80V 25A Automotive Power MOSFET

Package Outline

Mechanical Drawing - onsemi NVMFD6H852NL 80V 25A Automotive Power MOSFET
Published: 2019-09-03 | Updated: 2024-02-28