Phoenix Contact PSR-MC38 Safety Relays

Phoenix Contact PSR-MC38 Safety Relays are safety relays for emergency stop, safety doors, and light grids up to SILCL 3, Cat. 4, and PLe. These safety relays feature 1- or 2-channel operation and automatic or manual, monitored start, 2 enabling current paths, and 1 signal output. Phoenix Contact PSR-MC38 relays provide a TBUS interface for connecting CONTACTRON Pro hybrid motor starters and MINI POWER power supplies.

Features

  • 1- or 2-channel operation
  • Automatic, manual, or monitored start
  • 2 enabling current paths
  • 1 signal output
  • TBUS interface for connecting Contactron Pro hybrid motor starters and MINI POWER power supplies
  • Up to Cat. 4/PLe according to ISO 13849-1, SILCL 3 according to IEC 62061, SIL 3 according to IEC 61508

Applications

  • Emergency stop
  • Safety door monitoring
  • Evaluation of light grids

Specifications

  • 24VDC control circuit supply voltage
  • -20°C to +55°C operating temperature range
  • 75mA (typical) control supply voltage
  • 1.8W (typical) power consumption

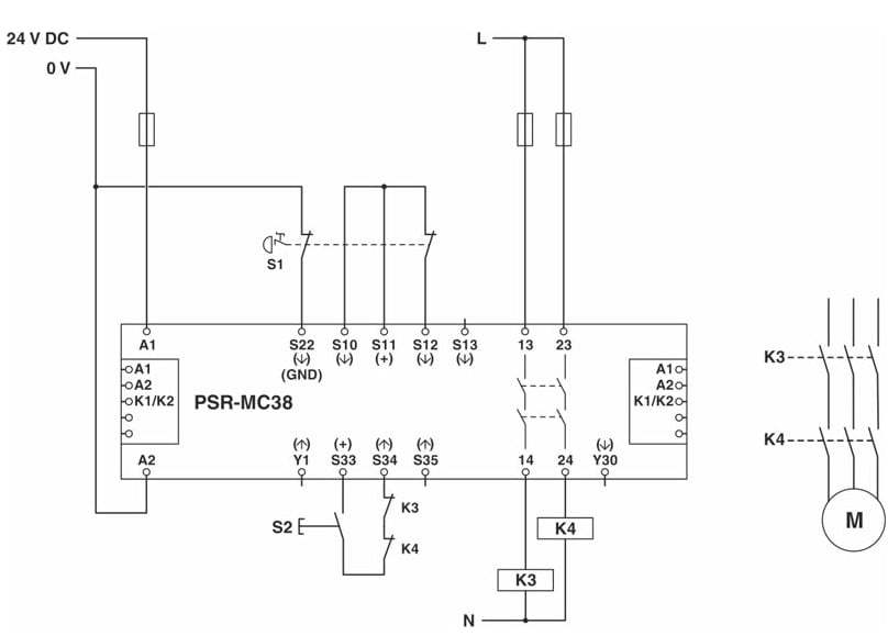
Circuit Diagram

Application Circuit Diagram - Phoenix Contact PSR-MC38 Safety Relays
Published: 2019-12-04 | Updated: 2025-10-07