Qorvo QPB9351 1.7GHz to 2.7GHz Dual Channel Rx VGAs

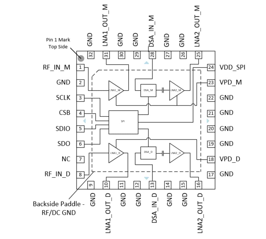
Qorvo QPB9351 1.7GHz to 2.7GHz Dual Channel Rx VGAs are developed for high-performance macro base station receivers. The highly integrated Rx front-end module combines high-performance first-stage low noise amplifiers (LNA), digital step attenuators (DSA), and a second-stage LNA in a dual-channel configuration. The RX VGA SiP (receive variable gain amplifier system in package) offers power-down capability for the amplifiers, which can be controlled via dedicated shutdown pins for each channel. The LNAs utilize Qorvo’s high-performance E-pHEMT process to supply a 0.4dB noise figure for the first stage LNA. Gain control is implemented through a 31dB range DSA in 1dB steps.

The QPB9351 is available in a RoHS-compliant, compact 5mm x 5mm 32-pin surface-mount leadless package.

Features

  • 1.7GHz to 2.7GHz frequency range
  • Integrates LNAs, DSA
  • Dual channel configuration
  • Integrated shutdown capability
  • LNA1 at 0.4dB NF, 16.5dB Gain, 38dBm OIP3
  • 31dB gain control range, 1dB step size
  • +5V supply voltage
  • SPI control interface
  • +1.8V logic

Applications

  • Wireless infrastructure
  • Diversity receivers
  • TDD or FDD systems

Functional Block Diagram

Block Diagram - Qorvo QPB9351 1.7GHz to 2.7GHz Dual Channel Rx VGAs
Published: 2024-05-31 | Updated: 2024-06-07