Qorvo QPL9057EVB1 Evaluation Board
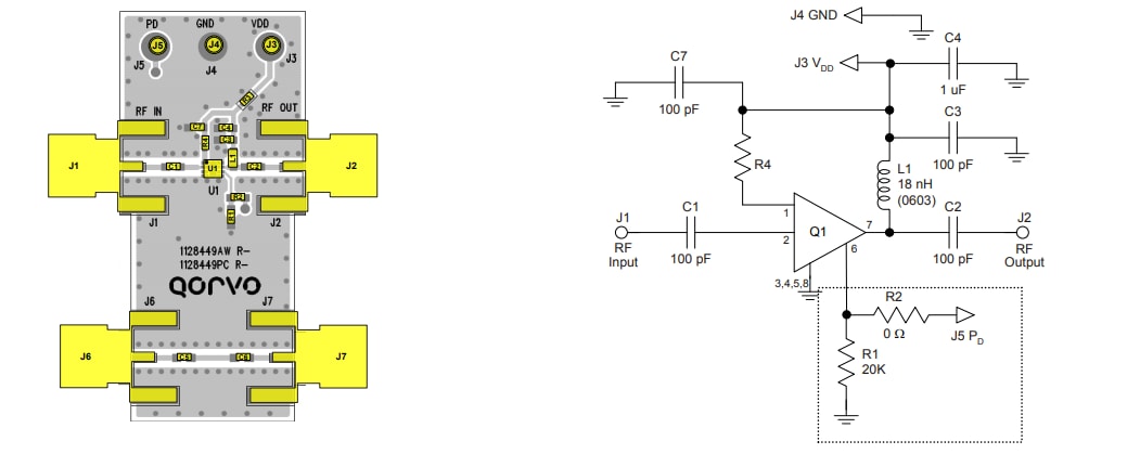
Qorvo QPL9057EVB1 Evaluation Board is designed to evaluate the QPL9057 ultra-low noise flat gain amplifiers. This evaluation board operates at a frequency range of 0.6GHz to 4.2GHz. The QPL9057EVB1 evaluation board consists of a through line that helps to de-embed the board losses. The Qorvo QPL9057EVB1 Evaluation Board's R4 resistor is used to set the current draw and it can be changed for the desired bias point.Overview
Videos
Published: 2018-12-05
| Updated: 2023-02-07
