Renesas Electronics ISL8801x 5 Ld Voltage Supervisors

Renesas Electronics ISL8801x 5 Ld Voltage Supervisors offer both fixed and/or adjustable voltage-monitoring, that combine popular functions in a small 5 Ld SOT-23 package. These functions include power-on reset control, watchdog timer, supply voltage supervision, and manual reset assertion.

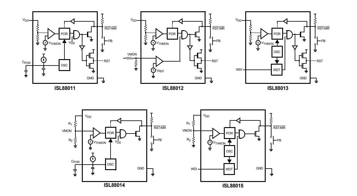
Renesas ISL88013 includes a watchdog timer with a 51s start-up timeout and a 1.6s normal timeout duration. The ISL88011 and ISL88014, provide an option to increase the nominal 200ms power-on reset timeout delay by adding an external capacitor to the CPOR pin. Complementary active-low and active-high reset outputs are available on the ISL88011 and ISL88013 devices. All the ISL8801x 5 Ld Voltage Supervisors have a manual reset capability. The ISL88014 has a user-adjustable voltage input available for custom monitoring of any voltage down to 0.6V. The ISL8801x 5 Ld Voltage Supervisors are designed for low power consumption and high threshold accuracy.

Features

  • Single/dual voltage monitoring supervisors
  • Fixed-voltage options allow precise monitoring of +2.5V, +3.0V, +3.3V, and +5.0V power supplies
  • Dual supervisor has one fixed voltage input and another that is user-adjustable down to 0.6V
  • RST and RST outputs available
  • Adjustable POR timeout delay options
  • Watchdog timer with 1.6s normal and 51s start-up timeout durations
  • Manual reset input on all devices
  • Reset signal valid down to VDD = 1V
  • Accurate ±1.5% voltage threshold
  • Immune to power-supply transients
  • Ultra-low 5.5µA supply current
  • Small 5 Ld SOT-23 Pb-free package
  • Pb-Free (RoHS compliant)

Applications

  • Process control systems
  • Intelligent instruments
  • Embedded control systems
  • Computer systems
  • Critical microprocessor and microcontroller power monitoring
  • Portable/battery-powered equipment
  • PDA and handheld PC devices

Block Diagrams

Block Diagram - Renesas Electronics ISL8801x 5 Ld Voltage Supervisors
Published: 2019-11-21 | Updated: 2023-09-26