ROHM Semiconductor Clockless Link™ Interface ICs

ROHM Semiconductor Clockless Link™ Interface ICs are designed to serialize the parallel data and transfers by the differential lines of one pair. This one-pair transfer interface significantly reduces the number of cables. The Clockless Link interface ICs feature a high-speed differential serial interface, embedded clock interface, and low EMI transmission. These ICs have a data transmission rate of 0.960Gbps to 1.630Gbps and an operating temperature range of -40ºC to 85ºC. The Clockless Link interface ICs are ideal for car navigation and printer display interfaces.

Features

  • High-speed differential serial interface
  • Embedded clock interface
  • No lock condition signal
  • No reset signal
  • Low EMI transmission by original DC balance protocol and scrambling
  • 2.3V to 3.6V I/O voltage range
  • 0.960Gbps to 1.630Gbps transmission data rate
  • 0.720Gbps to 1.224Gbps effective throughput
  • 30MHz to 51MHz clock frequency range
  • -40ºC to 85ºC operating temperature range
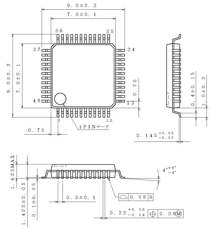
  • VQFP48 package (9.00mm x 9.00mm x 1.63mm)

Applications

  • Car navigation display interface
  • Printer display interface

Clockless Link Interface ICs Block Diagram

Block Diagram - ROHM Semiconductor Clockless Link™ Interface ICs

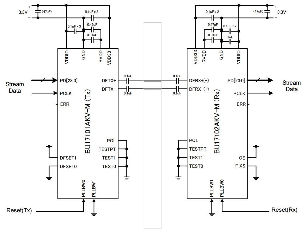
Clockless Link Interface ICs Application Circuit

Application Circuit Diagram - ROHM Semiconductor Clockless Link™ Interface ICs

Clockless Link Interface ICs Dimensions (mm)

Mechanical Drawing - ROHM Semiconductor Clockless Link™ Interface ICs
Published: 2018-03-15 | Updated: 2023-03-10