ROHM Semiconductor RB-D62Q1712TB52 Reference Board

ROHM Semiconductor RB-D62Q1712TB52 Reference Board, featuring the LAPIS ML62Q1712 CMOS 16-bit RISC MCU, is a versatile and energy-efficient platform designed to support a wide range of embedded applications. Powered by the ML62Q1712 MCU, which offers a 16-bit RISC architecture, the reference board provides a perfect balance of performance and low power consumption, making it ideal for battery-operated and compact devices. It integrates essential peripherals such as ADC, UART, SPI, and I2C interfaces, allowing for flexible connectivity and precise control across various systems.

The ROHM Semiconductor RB-D62Q1712TB52 board is well-suited for applications in smart home systems, industrial automation, IoT devices, automotive electronics, and portable electronics. Its efficiency and compact design make it an excellent choice for developers looking to create reliable, low-cost embedded solutions with high performance.

Features

  • Provided with the LAPIS ML62Q1712 CMOS 16-bit RISC MCU, 52-pin TQFP
  • Mounted with the linked connector to EASE1000
  • Through-holes for connecting the pins of LSI to external peripheral boards
  • Selectable power supply, supplied from the on-chip emulator EASE1000 or CN1_3pin/CN2_2pin
  • Mounted LED (P20, P21, P22)
  • Mounted 32.768KHz crystal
  • Low power consumption
  • Internal flash memory and RAM
  • Flexible I/O and communication interfaces
  • Real-time processing
  • 1.6V to 5.5V operating supply range
  • Compact form factor, 56mm x 94mm x 15mm (WxDxH) size

Applications

  • Smart home systems
  • Industrial automation
  • Internet of Things (IoT) and wireless connectivity
  • Automotive electronics
  • Portable and battery-powered devices
  • Embedded systems

Overview

Location Circuit - ROHM Semiconductor RB-D62Q1712TB52 Reference Board

Power Circuit

Location Circuit - ROHM Semiconductor RB-D62Q1712TB52 Reference Board

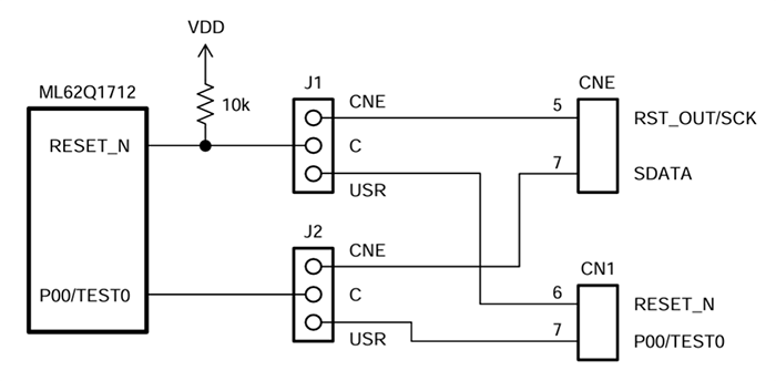
EASE1000 Interface

Location Circuit - ROHM Semiconductor RB-D62Q1712TB52 Reference Board

PCB Layout

Mechanical Drawing - ROHM Semiconductor RB-D62Q1712TB52 Reference Board
Published: 2024-12-27 | Updated: 2025-01-06