Analog Devices Inc. AD8412ARM-EVALZ Evaluation Board

Analog Devices AD8412ARM-EVALZ Evaluation Board is based on the AD8412A amplifier and was created for easy configuration of different modes of operation and to permit flexibility with loads. A shunt resistor (R1), with a standard size of 2818 max, can be soldered to the board. The AD8412A Current Sense Amplifiers offer an initial gain of 10V/V, with a 1.8MHz bandwidth with a maximum ±0.11% gain error over the entire temperature range.

The ADI AD8412ARM-EVALZ Board supports the AD8412A in a small outline package (MSOP).

Features

  • Enables quick breadboarding and prototyping
  • Easily configurable for unidirectional or bidirectional operation
  • Includes provision for current-sense shunt resistor
  • Easy connection to test equipment
  • Includes provisions for an input filter and an output filter
  • Decoupled supply line

Applications

  • In-phase or high-side current sensing in:
    • Motor control in BLDC motors, low-inductance motors
    • Bidirectional 48V to 12V DC to DC converters
    • Solenoid controls
    • Power rail monitoring
  • Low-side current sensing

Layout

Analog Devices Inc. AD8412ARM-EVALZ Evaluation Board

Connections to Terminal Blocks

Location Circuit - Analog Devices Inc. AD8412ARM-EVALZ Evaluation Board

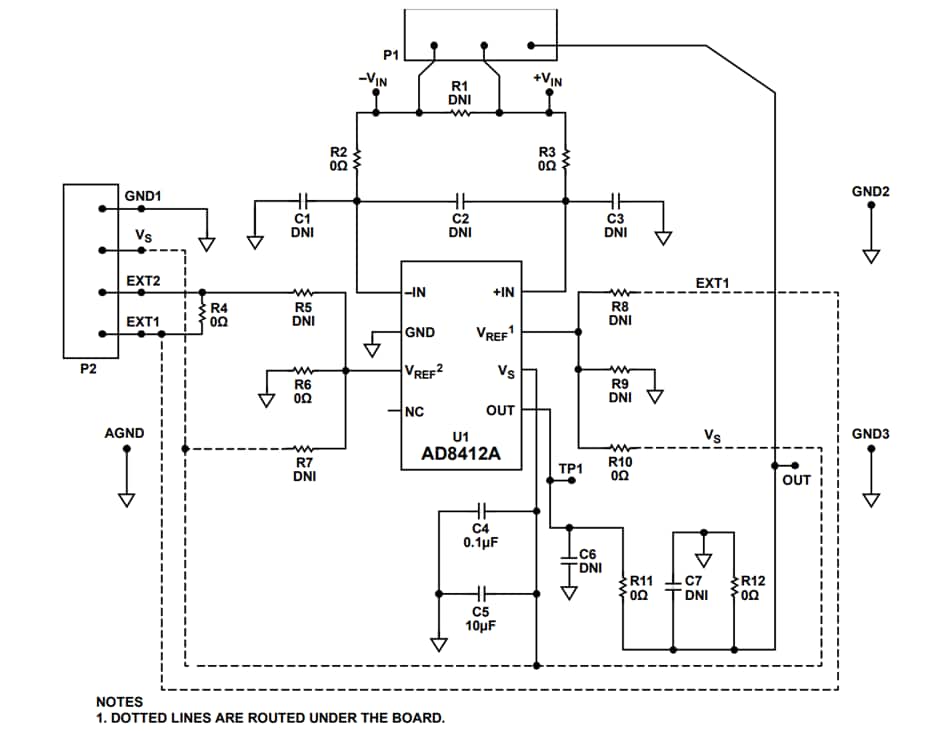
Schematic

Schematic - Analog Devices Inc. AD8412ARM-EVALZ Evaluation Board
Published: 2025-03-14 | Updated: 2025-03-18